| CATEGORII DOCUMENTE |
| Alimentatie nutritie | Asistenta sociala | Cosmetica frumusete | Logopedie | Retete culinare | Sport |
ULTRASUNETELE IN DIAGNOSTICUL SI TERAPIA MEDICALA
Principiile fizice ale explorarii cu ultrasunete. Traductoare ultrasonore
Termenul de ultrasunet (US) se refera la unde acustice situate in frecventa deasupra domeniului de audibilitate uman: 20 kHz . cca. 15MHz. In esenta, acestea sunt unde mecanice (zone de presiune mai mare sau mai joasa) care se propaga intr-un mediu solid, lichid sau gazos. Mediul biologic avand proprietati acustice apropiate de cele ale lichidelor, consideram propagarea US sub forma unor unde plane si longitudinale.
Principalele marimi caracteristice ale US sunt frecventa (f ), lungimea de unda (l) si viteza (c) (de propagare a frontului de unda), legate prin formula
c = f l ( c = l /T ).
Energia W a tuturor particulelor din unitatea de volum, care au viteza de oscilatie v, este data de expresia
W = r v
Modul uzual de obtinere a imaginilor ultrasonore este prin reflexie sau ecou al impulsurilor US. Tesuturile reflecta energia acustica, transportata prin unde de compresie (longitudinale), in functie de impedanta acustica. Impedanta acustica se defineste cu relatia
Z = r c = p / v ,
unde r este densitatea tesutului (kg/m3), c este viteza de propagare (m/s) si p este presiunea . Pentru corpuri omogene, c are forma
,
in care E este modulul de elasticitate (compresibilitate).
Intensitatea I este energia care traverseaza unitatea de suprafata in unitatea de timp:
I = cE = crv / 2 = Zv 2/ 2 = p 2 / (2Z ) watt/m2
La parcurgerea unui mediu oarecare, intensitatea scade exponential cu distanta datorita deviatiilor de la paralelism, difuziei pe reflectori imperfecti si absorbtiei energiei US (efect caloric). Relatia care arata acest fenomen este
Az = A0 exp( az),
in care Az si A0 sunt respectiv amplitudinea oscilatiei la distanta z de sursa si amplitudinea oscilatiei sursei, iar a este coeficientul de atenuare. Din acest motiv este necesara o "compensare a castigului in timp (sau cu adancimea)", adica castigul amplificatorului-receptor creste dupa o curba care oglindeste atenuarea medie data de (6).
In Tabelul 1 sunt prezentate cateva caracteristici acustice ale unor medii biologice.
Undele ultrasonore (US) au efecte biologice cumulate, astfel: intensitati sub 0,5 W/cm2 nu produc modificari morfologice in celule si au aplicatii medicale; intre 1.5 W/cm2 determina accelerari ale proceselor biologice; pentru intensitati peste 5 W/cm2 se produc modificari ireversibile in celule.
Aplicatiile terapeutice ale US sunt: in inflamari si imbolnaviri degenerative ale oaselor si muschilor (artrite, artroze, entorse etc.), tratament al sistemului nervos (nevralgii, herpes s.a.), inflamari ale pielii (ulcus, panaritiu etc.), in psihiatrie (prin incalziri profunde in creier), in neurochirurgie, pentru producere de leziuni (de exemplu in cazul tratamentului bolii Parkinson), distrugere de calculi renali si din vezica urinara, producere de aerosoli, in stomatologie (slefuiri, detartrari rapide) etc.
Atenuarea acustica creste cu frecventa, coeficientul tipic de atenuare pentru tesuturi moi fiind de 1 dB/(cm MHz). In practica clinica, compromisul fundamental este intre cresterea frecventei (pentru o rezolutie geometrica marita) si adancimea de explorare, care scade cu frecventa. De exemplu, domeniul 2,5.3,5 MHz se foloseste pentru explorari abdominale, 5 MHz - pentru organe interne aflate aproape de suprafata si in pediatrie, iar 5.15 MHz pentru structuri mici (tiroida, vase periferice, ochiul etc.).
Tabelul 1
|
Mediul de propagare |
Viteza c m/s2 |
Impedanta acustica Z kg m s |
Coeficientul de atenuare a m |
Frecventa pentru determinarea lui a MHz |
|
Apa distilata | ||||
|
Tesut adipos | ||||
|
Muschi |
|
|||
|
Creier | ||||
|
Tumoare la creier | ||||
|
Ficat | ||||
|
Os | ||||
|
Sange | ||||
|
Rinichi | ||||
|
Aer |
Diagnosticul cu US se bazeaza pe reflexia, difractia, refractia si absorbtia US emise in mod continuu sau in impulsuri, in contact cu tesutul. Emitatoarele continue sunt folosite pentru obtinerea efectului Doppler sau pentru studiul modificarilor US la trecerea prin medii de impedanta acustica diferita. Pentru aceasta sunt necesare doua cristale, cu rol de emitator si receptor. US intermitente, folosite in ecografia in impulsuri, necesita un singur traductor. Undele au durate de 2 ms, permitandu-se vizualizarea in timp real, concomitent cu scurtarea timpului de expunere la US.
US sunt emise si receptionate de traductorul ultraacustic piezoelectric, care are rolul de a transforma tensiunea electrica in US si reciproc. In Figura 1,a, se prezinta un traductor ultrasonic monoelement. Elementul activ este un cristal de cuart sau o ceramica piezoelectrica (BaTiO3, zirconat de plumb - PZT) in forma de disc, avand fetele metalizate. Aplicarea unor impulsuri scurte de tensiune are ca efect generarea unor unde US, avand lungimea de unda egala cu jumatate din lungimea de unda mecanica a materialului. La rezonanta, oscilatiile geometrice ale discului se automentin, indiferent de regimul de lucru (emitator sau receptor). Necesitatile practice ale unei imagini de calitate impun insa trenuri oscilatorii scurte, de ordinul unei lungimi de unda. In plus, spatele traductorului nu trebuie sa induca ecouri false, de aceea este necesar un strat cu absorbtie foarte mare, care mareste banda de frecventa. Frecventa de oscilatie a cristalului este egala cu frecventa tensiunii aplicate, care pentru randament maxim trebuie sa fie egala cu frecventa de rezonanta a cuartului, calculata cu formula
,
in care d este grosimea cristalului, E - modulul de elasticitate si r - densitatea. Relatia de mai sus este echivalenta cu egalitatea d = l/2, conditie amintita deja.
Cerintele tehnice necesare unui bun traductor de US sunt: putere acustica de 10.100 mW/cm2, pentru tensiune de alimentare sub 100 Vef; randament cat mai bun; raport semnal / zgomot maxim; ecouri false minime (amortizarea undei spate); sa oscileze doar pe frecventa de rezonanta; manevrabilitate crescuta.
Dupa deplasarea fasciculului US in planul analizat, exista doua metode de obtinere a imaginilor ecografice in timp real: metoda mecanica si cea electronica.
In Figura 1, b, sunt prezentate traductoare mecanice pentru scanare in timp real. Cel cu explorare paralela (a) este mare si incomod. Traductorul sectorial (b) are avantajul unei suprafete mici de contact cu pacientul, in schimb rezolutia scade cu adancimea de patrundere. In cazul traductorului cu tambur rotativ (c) fiecare cristal din cele n este activ cel mult a n-a parte din perioada de rotatie a tamburului.
In cazul metodei electronice forma fasciculului US poate fi modificata prin fragmentarea traductorului in mai multe elemente (pana la 400 pe cca. 150 mm) si prin excitarea adecvata, cu linii de intarziere, a fiecarui element (Figura 2,a). Ajustarea formei fasciculului se face prin folosirea lentilelor mecanice sau electronice, ultimele in cazul traductoarelor multielement. Metoda are avantajele ca nu exista piese in miscare si nici inertie mecanica, deci scanarea poate fi oprita simultan cu fasciculul US, pe directia aleasa. {i in acest caz exista scanare paralela, cu traductor liniar, precum si scanare sectoriala, la care conectarea elementelor se face in faza. In Figura 2(b) se arata schema unui scaner ce foloseste un traductor multielement liniar. Semnalul de ceas declanseaza producerea impulsurilor de radiofrecventa de catre emitator, care sunt aplicate printr-un comutator secvential fiecarui element in parte. Concomitent este declansata baza de timp conectata la deflexia pe verticala a tubului catodic. Ecourile reflectate de pacient sunt detectate de acelasi element ca la emisie si amplificate de catre receptor, asupra caruia actioneaza controlul in timp al amplificarii. Pe ecran se obtin tonuri de gri proportionale cu intensitatea ecoului, adica semnalul moduleaza in stralucire spotul electronic al tubului de afisare. Deviatia pe orizontala este produsa de fiecare element, in cadrul unei secvente.

(a) (b)
Figura 1 Traductoare mecanice monoelement


(a) (b)
Figura 2 Sistem multielement de explorare liniara
Un exemplu de astfel de sistem de scanare si reprezentare a informatiei ecografice are parametrii urmatori (Brel & Kjaer, Nr. 1849): foloseste 11 traductoare; gama frecventei de lucru: 1,5.10 MHz; intensitatea acustica medie: 0,7.3mW/cm2; intensitatea acustica maxima a impulsurilor US: 14.29 W/cm2, functie de traductor; afisare de imagine digitala, 512 x 512 / 64 niveluri de gri; scala de afisare pentru tesut: 50 x 50, 100 x 100, 200 x 200 mm.
Folosirea traductoarelor multielement la determinarea vitezei de curgere a sangelui pe baza efectului Doppler este prezentata schematic in Figura 3. Structurile in miscare modifica frecventa semnalului receptionat cu valoarea fd, numita deviatie Doppler, conform formulei
f d = (2v f s / c) cos q
unde v este viteza structurii, fs este frecventa semnalului emis, q este unghiul dintre viteza structurii si directia fasciculului emergent iar c este viteza sunetului in mediul respectiv.
Intr-o prima modalitate de lucru ("Doppler continuu") se emite si se receptioneaza continuu fascicul US. Rezulta un spectru Doppler in domeniul audio, analizat "dupa urechea" unui operator antrenat sau cu analizoare spectrale. Dezavantajul major este necorelarea frecventelor Doppler cu pozitia spatiala a structurii ce a realizat deviatia de frecventa.
Modul "Doppler in impulsuri" utilizeaza scanarea electronica si traductorul multielement. Se emite un tren scurt de sinusoide si se selecteaza din semnalele receptionate doar acele linii care corespund timpului de propagare total, dus-intors, spre zona analizata. Metoda are limite privind compromisul dintre precizia localizarii in spatiu si precizia determinarii vitezei, caci o buna localizare spatiala necesita impulsuri scurte, care au o banda larga de frecventa. Conform principiului de incertitudine al lui Heisenberg, precizia calcularii vitezei scade.

Figura 3 Formarea semnalului Doppler
Sisteme de explorare cu ultrasunete
Modurile fundamentale de reprezentare a informatiei vizuale ultrasonore sunt modul A, modul M (numit anterior TM - "time-motion"), modul B ("brightness") si modul timp real.

Figura 4 Reprezentarea in modul A Figura 5 Vizualizare in modul M (TM)
Pentru modul A (cel mai vechi procedeu de scanare) se foloseste un traductor static care emite un impuls spre tesut. Pe ordonata display-ului (osciloscop sau inregistrator) se afiseaza amplitudinea ecoului iar axa orizontala reprezinta timpul sau distanta (Figura 4). Blocul de control comanda generatoarele de impulsuri, de rampa pentru deflexia orizontala si de marcare pentru etalonarea pe orizontala. Generatorul de rampa realizeaza si compensarea in timp (distanta) a castigului amplificatorului. Avantajul este cel al simplitatii si al afisajului in timp real. Ca limitare principala, semnalul este monodimensional, utilizarea fiind restransa.
Modul TM, folosit mai ales in cardiologie si sistem circulator, este util vizualizarii partilor in miscare. Prezenta si intensitatea ecourilor sunt redate prin modularea intensitatii spotului tubului de afisare pe o rampa (D in Figura 5) aplicata deflexiei pe verticala, in puncte care corespund pozitiei surselor ecourilor. In mod analog rampa T, aplicata deflexiei pe orizontala, pozitioneaza urmatoarea rampa D. Pe afisaj, care poate fi un tub cu remanenta mare sau un monitor cuplat la o memorie digitala, se poate urmari evolutia surselor de ecou aflate pe directia (fixa) examinata. Semnalul monodimensional astfel format poate fi inregistrat prin filmare sau cu un videorecorder.
Modul B este astazi cel mai folosit, deoarece permite obtinerea imaginilor bidimensionale si chiar tridimensionale ale tesutului examinat. Figura 6 prezinta modul B static (primul aparut), care foloseste un traductor de pozitie ce poate fi miscat usor. O imagine se obtine lent, in 2.20 s. Sistemul cu traductor multielement liniar de dimensiuni mari (Figura 7) produce imagini in timp real, putandu-se astfel examina structuri in miscare (vase abdominale mari, fatul etc.). Fiecarui element i se asociaza o linie de scanare. Sistemul cu scanare electronica, cel mai complex, foloseste traductorul multielement fazat si permite, in plus, lucrul in modul M, cu indicarea liniei selectate. Directia si focalizarea US sunt controlate prin excitarea potrivita a celor 64 elemente (de exemplu) ale traductorului. Iesirile amplificatoarelor asociate fiecarui element, trecute prin linia de intarziere, sunt insumate coerent. Procesarea imaginii implica si o comprimare a dinamicii semnalului, de la peste 100 dB la 20.25 dB, functie de contrastul tubului de afisare. In cadrul conversiei A/D are loc transformarea din coordonate polare in coordonate carteziene, cu ajutorul unui modul numit scanconvertor. Memoria de imagine poate avea capacitatea de 480 x 640 x 5 biti, primele doua numere reprezentand rezolutia geometrica.
Modul de reprezentare in timp real este de fapt modul B la care viteza de scanare este suficient de mare pentru a urmari miscarea tesutului vizualizat.


|
Figura 7 Sistem cu traductor multielement liniar |
Figura 6 Reprezentarea in modul B (static)
Ecografia
Ecografia constituie astazi metoda paraclinica cea mai folosita pentru stabilirea diagnosticului pe baza vizualizarii directe a organelor sau tesuturilor investigate. Dezvoltarile tehnologice succesive, precum si programele de calcul pentru prelucrarea imaginilor ecografice, au permis ca ecografia sa fie o metoda complet inofensiva, mai ales ca fenomenul de sumatie nu este prezent.
Principiul fundamental care permite investigarea pe baza US este interpretarea ecourilor care se formeaza prin reflexia si atenuarea suferite de US la trecerea prin medii cu proprietati acustice diferite. Marimea reflexiei respective este proportionala cu diferenta dintre impedantele acustice ale acelor medii.
Daca in lichide coeficientul de absorbtie a US este dat de formula
in care h este vascozitatea lichidului, w - pulsatia US, r - densitatea mediului si c - viteza US in mediul respectiv, in cazul tesuturilor vii absorbtia depinde aproximativ liniar de frecventa. Atenuarea US cu frecventa se datoreaza rezonantei moleculare cu tesutul respectiv, cresterii nivelului energetic de translatie si vibratie, difractiei si fenomenului de cavitatie. Cavitatia consta intr-o concentrare locala, in volume foarte mici, a energiei acustice, datorita existentei unor bule de gaz sau a unor discontinuitati in tensiunea superficiala a lichidului in contact cu un solid.
In Figura 8 este redata schema metodei impulsurilor reflectate (impulsuri-ecou), care constituie principiul de functionare al ecografelor moderne. E este un emitator de US, GT - generator de tact, FTJ - filtru trece-jos, A - amplificator, PI - prelucrare de imagini, T - traductor US. In mediul supus investigatiei, la intalnirea unei suprafete de discontinuitate intre medii cu impedante acustice diferite au loc reflexii si refractii ale undei incidente. O parte a energiei se reflecta inapoi spre traductor, constituind ecoul, iar alta parte se refracta (transmite) spre zone mai profunde. Diagnostigarea ecografica nu este eficienta pentru zonele cu aer (plaman) si cele osoase (cutia craniana), care reflecta aproape total fasciculul incident.

Figura 8 Principiul ecografiei (metoda eco-impuls)
Ecografia in impulsuri consta in vizualizarea imaginilor acustice obtinute prin detectarea ecoului produs de tesuturi sub actiunea unui impuls de scurta durata (0,2.2 ms), de frecventa 0,5.15 MHz, repetat cu o frecventa de 480.1200 Hz pentru a avea imagine stabila si pentru a urmari miscarea unor tesuturi sau organe. Impulsurile au putere acustica mica (0,2.20 mW), cu intensitate acustica intre 1.90 W/cm2.
Figura 9 prezinta schema bloc a unui ecograf. Pulserul este format din generatorul de impulsuri US si circuitul de control, care determina amplitudinea si frecventa impulsurilor. Receptorul de ecouri reflectate contine un amplificator de intrare avand castig controlat, circuitul de logaritmare pentru reducerea gamei dinamice si circuite de detectie (ultimele in blocul prelucrarilor analogice). Partea digitala este formata din:
convertorul A/D de mare viteza pe 4-6 biti;
etajul de prelucrari numerice, unde are loc o filtrare digitala;
unitatea rapida de calcul (URC) are rol de scanconvertor si comanda memoria de date (imagine); in plus, ea interpoleaza pixelii lipsa si comanda castigul amplificatorului;
blocul de comanda si control, de fapt un calculator de proces, monitorizeaza functionarea URC, a pulserului, receptorului, sistemului de pozitionare si interfetelor cu echipamentele periferice; el efectueaza si analiza imaginilor ecografice, calculand marimi geometrice ale structurilor de interes.
Sistemul de pozitionare asigura baleierea sectiunii analizate, in cazul traductorului sectorial. In fine, circuitul de cuplare cu traductorul permite excitarea acestuia si receptionarea ecourilor.
Figura 10 prezinta un ecograf Doppler modern. Semnificatia notatiilor este: 1-generator de impulsuri; 2-circuit de intarziere variabila; 3-generator de semnale in cuadratura; 4-comutator emisie-receptie; 5-circuit de esantionare / memorare (S&H); 6-filtru trece-jos;7-convertor A/D; 8-procesor numeric; 9-afisaj; CTA-control in timp al amplificarii; ARF-amplificator de radiofrecventa. Generatorul de impulsuri are rol de ceas pentru oscilator si circuitul de intarziere. FTJ cu frecventa de taiere de 700 kHz fac parte din detectorul de semnal modulat in cuadratura. Filtrele trece-jos (6) permit ascultarea informatiei Doppler de catre utilizatorul ecografului. ARF poate contine si niste filtre trece-sus cu frecventa de taiere de cca. 100 Hz, pentru a reduce amplitudinea ecourilor provenite de la "obiecte" fixe (peretii vaselor de sange).

Figura 9 Schema bloc a unui ecograf

Figura 10 Schema bloc a unui ecograf Doppler
Ecoencefalografie
Ecoencefalograful este un dispozitiv ultrasonor care permite investigarea creierului si lucreaza in modul A de reprezentare. In Figura 11 este prezentata dispunerea a doua traductoare US, precum si semnalele aferente ( Car98 ). Se emit trenuri de unde US de durata 1 ms, frecventa fiind de 2.3 MHz si cu o repetitie de 500 de salve pe secunda. Forma semnalelor, vizualizate in timp pe ecranul osciloscopului, depinde de plasarea traductoarelor si de alti factori.
De exemplu, impulsurile din centrul figurii sunt cauzate de reflexii pe ventriculii laterali, al treilea ventricul si pe septum pellucidum. In mod obisnuit, septum este localizat la 2 mm de centrul craniului iar ecourile de la el sunt plasate exact intre impulsurile de la al treilea ventricul. O deplasare mai mare decat 3 mm fata de pozitia corecta se considera patologica, indicand o tumoare sau alta leziune. De obicei se fac doua determinari ale pozitiei semnalelor mediane prezentate: una folosind sensul dreapta-stanga a fasciculului US si a doua sensul invers. La o masurare corecta, pozitiile astfel determinate trebuie sa coincida. Localizarea tumorilor sau leziunilor are loc cu ajutorul scanarilor multiple, sub diferite unghiuri. Semnalele provenite de la tumori solide difera esential de cele furnizate de tumori fluide.

Figura 11 Traductoare ecoencefalografice si semnale generate
4 Masurari cu ultrasunete
1. Masurarea vitezei de curgere a fluidelor in organism
Masurarea vitezei sangelui arterial in apropierea suprafetei pielii se realizeaza folosind un detector transcutanat Doppler (Figura 12, Car98 ). In vecinatatea unei artere periferice se pozitioneaza ansamblul traductor format din doua cristale, pentru emisie si receptie, separate cu un material avand impedanta acustica mare (mylar). Frecventa de lucru de 10 MHz permite o buna focalizare si o sensibilitate superioara a detectarii vitezei, adica ecourile provenind de la tesuturi (structuri fixe) sunt atenuate iar reflexiile de la vasele sanguine (semnalul util) sunt mai puternice.
Miscarea sangelui produce o deplasare a frecventei incidente, proportionala cu viteza de curgere, conform efectului Doppler. Experimental se constata o frecventa Doppler de 200 Hz fata de 10 MHz, corespunzatoare unei viteze de cca. 6 cm/s.
Detectorul compara cele doua semnale, de la oscilator si pe cel de la cristalul receptor (amplificat), iar la iesirea sa se obtine deviatia de frecventa DF. Calea audio, formata dintr-un filtru trece-jos, amplificator de audiofrecventa si casti (difuzor), permite medicului aprecierea subiectiva, dar precisa, a vitezei sangelui. O serie de modele contin un circuit integrator care produce o tensiune de c.c. proportionala cu viteza de curgere.

Figura 12 Detector Doppler al vitezei de curgere
Exista doua tipuri generale de astfel de detectoare de curgere ("flowmeters"): o categorie foloseste principiul Doppler, deja prezentat, iar a doua masoara diferenta de viteza dintre ecourile reflectate de cei doi pereti ai vasului sanguin (Figura 13).
Acest al doilea tip de detector se numeste flow-metru US cu timp de tranzit. Traductorul contine doua cristale piezoelectrice, A si B, dispuse sub unghiul q fata de directia vasului si situate la o distanta D intre ele. Cristalele pot functiona in ambele regimuri: cand se masoara timpul de tranzit al fasciculului inferior, A este emitator si B - receptor. In cazul ecoului produs de peretele superior rolurile se inverseaza. Cei doi timpi de tranzit sunt masurati electronic iar diferenta lor intra in formula
,
in care
este viteza medie a
fluidului, c este viteza US in mediul
respectiv iar DT este diferenta intre cei doi timpi de tranzit. Practic, metoda are o
deficienta principiala datorita marimii foarte mici a
diferentei DT (ns), pentru a carei masurare zgomotul si driftul
circuitelor electronice analogice devin importante. De aceea, detectoarele
bazate pe masurarea directa a timpului sunt inlocuite cu cele care
folosesc detectia de faza.

Figura 13 Principiul traductorului US cu timp de tranzit
Un flowmetru Doppler este redat, ca schema bloc, in Figura 14 ( Car98 ). Traductorul este alcatuit, in general, din doua cristale piezoelectrice: unul emitator pe frecventa fs si altul receptor, din care rezulta frecventa f r. Ele sunt dispuse sub unghiurile q, respectiv j, fata de directia de curgere. Frecventa Doppler este data de formula
,
in care Df este deviatia de frecventa (Hz) iar c este viteza US in fluid (de exemplu sange). Semnul minus se ia daca viteza v are sensul inspre fata cristalului iar semnul plus - in caz contrar.
Schema bloc a aparatului (figura b) arata ca semnalul provenit de la traductorul receptor, de frecventa f r = f s Df , este mixat cu f s intr-un mixer / amplificator de radiofrecventa. La iesirea acestuia un filtru trece banda selecteaza doar modulul diferentei f s f r. Un detector de trecere prin zero produce impulsuri la fiecare anulare a Df , care integrate dau o tensiune proportionala cu viteza v. In mod alternativ, un discriminator de frecventa (de exemplu un circuit PLL) poate masura viteza de repetitie a acestor impulsuri, de asemenea proportionala cu v. In ambele situatii se reprezinta viteza medie a curgerii fluidului prin vas (cm/s).
Deoarece diametrul vasului de sange nu este cunoscut precis, debitele sanguine nu pot fi masurate cu aceasta metoda. Diametrele pot fi masurate cu ajutorul sonomicrometrului.
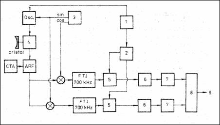
Un detector Doppler de flux sanguin de constructie autohtona, numit SONOFLUX si realizat la ICE-filiala Cluj-Napoca, este schematizat in Figura 15. El masoara viteza de curgere a sangelui sau de miscare a inimii. Datorita lucrului pe trei frecvente emise continuu (2, 4 si 8 MHz), se permite folosirea atat pentru vase de adancime sau puls fetal, cat si pentru vase superficiale. In plus, pe baza semnului deviatiei Doppler este afisat si sensul de curgere.
Frecventa de lucru este selectata automat, la conectarea unui anumit traductor, in blocul CSF. Oscilatoarele O1, O2, O3 emit frecvente de patru ori mai mari decat cele de lucru, divizate de formatoarele de semnal (FS), aceasta din considerente de stabilitate a frecventei. EF este un etaj final pentru excitarea traductorului emitator. Amplificatorul de intrare (ARF) este realizat cu tranzistoare cu efect de camp, pentru un zgomot minim si dinamica mare. PA1, PA2, A1, A2 sunt respectiv preamplificatoare si amplificatoare de audiofrecventa; FTS1, 2 sunt filtre trece-sus pentru eliminarea ecourilor produse de tesuturi fixe si a semnalului parazit provenit de la traductor (intre E si R); K1, K2 sunt comutatoarele filtrelor trece-jos, comandate de circuitul de selectie (CSFTJ); AP este amplificator de putere; AL1, 2 sunt amplificatoare limitatoare iar detectia sensului de curgere se face cu doua mixere in cuadratura si cu detectia fazei semnalelor Doppler.

Figura 14 Flowmetru Doppler Figura 15 Schema bloc a aparatului SONOFLUX
2. Masurarea ultrasonica a presiunii sanguine
Ultrasunetele pot folosi si la masurarea neinvaziva, indirecta, manual sau automat, a presiunii arteriale. In Figura 16 ( Car98 ) cristalele piezoelectrice sunt plasate intre bratul pacientului si un manson de presiune. Circuitul masoara frecventa Doppler generata de curgerea sangelui prin artera brahiala. Cand artera este ocluzata, deviatia Doppler este aproape nula.
In Figura 17 se prezinta variatia presiunii arteriale in corelatie cu ciclul cardiac, precum si semnalele Doppler generate. Cand presiunea arteriala creste (sistola) si egaleaza presiunea mansonului, se genereaza o deviatie Doppler mai mare: Df este in domeniul 200.500 Hz. Cand presiunea arteriala scade (diastola), artera este obturata si frecventa Doppler are o valoare mica, in domeniul 25.100 Hz. Metoda mansonului implica scaderea presiunii acestuia cu o anumita viteza. Presiunea sistolica este indicata de coincidenta temporala aproape perfecta intre componentele de inalta si joasa frecventa ale deviatiei Doppler. Pe masura ce presiunea mansonului scade, cele doua semnale Doppler se separa in timp. Cand se ajunge la presiunea diastolica, semnalul de joasa frecventa aproape coincide cu cel de inalta frecventa apartinand urmatorului ciclu cardiac. Semnalele Doppler pot fi auzite intr-un difuzor, cu ajutorul unui amplificator audio. Metoda prezentata permite realizarea unei precizii absolute de 2,5 mmHg, inclusiv in cazul hipotensivilor, cand metoda auscultatiei are eficienta redusa sau chiar nu poate fi aplicata. Varianta automata a tensiometrului US poate fi utilizata la monitorizarea continua si neinvaziva a presiunii arteriale, de exemplu in timpul operatiilor chirurgicale.
Monitoarele fetale cu US au doua functii de baza: cea de stetoscop electronic, pentru detectarea ritmului cardiac fetal; varianta mai complexa masoara ECG fetala, folosind electrozi pe scalpul fatului, precum si presiunea lichidului amniotic.

Figura 16 Principiul tensiometrului ultrasonor

Figura 17 Secventa temporala si semnalele Doppler pentru tensiometrul US
Masurarea neinvaziva a diametrelor arteriale
In unele situatii, de exemplu in probleme de hemodinamica, este necesara masurarea diametrelor diferitelor artere, mai ales al celor paralele cu pielea (carotida, femorala, brahiala sau radiala). Astfel, determinarea diametrului vasului si a presiunii arteriale permite calcularea tensiunii peretelui arterial. Elasticitatea peretelui se estimeaza comparand valorile diametrului si ale tensiunii peretelui in sistola si diastola. In plus, stiind diametrul vasului de sange putem calcula debitul sanguin, ca produsul dintre viteza medie de curgere si aria sectiunii transversale (presupusa circulara).
Principiul de masurare consta in detectarea ecourilor aferente peretelui anterior si celui posterior, precum si din calcularea timpului necesar parcurgerii distantei dintre cei doi pereti. In Figura 18 un astfel de sistem si metoda de masurare sunt supervizate de calculator, care realizeaza si calibrarea traductorului. Generatorul de semnal este implementat sub forma unei memorii digitale care sintetizeaza, prin program, forma de unda dorita. Pentru fiecare ciclu de transmisie continutul memoriei este citit cu cu o frecventa de esantionare de 30 MHz si transmis unui convertor D/A foarte rapid. Semnalul analogic amplificat se aplica traductorului US.
Circuitul de receptie (Figura 19) preia ecoul si il transmite unui amplificator de banda larga (1.10 MHz), pentru a fi afisat pe osciloscop. Un comparator detecteaza prin amplitudine semnalul ecou, cu ajutorul unui monostabil care inlatura efectul semnalelor parazite.

Figura 18 Circuitul de emisie a fasciculului US

Figura 19 Circuitul de receptie
Ecourile sunt alese de operator, care pozitioneaza un marker de timp pe ecranul osciloscopului la o distanta oarecare in interiorul vasului. Astfel se poate masura timpul dintre ultimul ecou de la peretele anterior si primul ecou de dupa marker (peretele posterior). Concret, semnalul-ecou anterior markerului reseteaza un numarator-contor de timp, iar primul semnal ulterior markerului il blocheaza. Continutul numaratorului, proportional cu valoarea diametrului, este citit de calculator. Rezolutia contorului este de 33 ns, ceea ce corespunde unei rezolutii spatiale de 26 mm.
Sonomicrometria permite masurarea continua a variatiei diametrului vascular, "in situ". Rezolutia obtinuta este de 10mm, pentru diametre de pana la 1 mm.
5 Terapia cu ultrasunete
Aparatele de terapie cu US se bazeaza pe generatoare de inalta frecventa (800.1000 kHz), cu puteri in domeniul 0,05.30 W. Traductorul ("capul sonic") transforma energia electrica US in energie mecanica US, prin efect piezoelectric invers. Efectele US asupra organismului uman sunt termice si mecanice. Daca se doreste in principal activarea mecanica, impulsurile US trebuie sa aiba un factor de umplere de 0,1.0,25, aceasta pentru micsorarea efectelor termice. Actiunea terapeutica consta in activarea circulatiei sanguine (hipertermie), calmarea durerii, reducerea inflamatiilor etc. Incalzirea cea mai pronuntata, efect al absorbtiei puternice, are loc in oase.
In Figura 20 se prezinta un aparat de constructie indigena (ICE Cluj-Napoca). Semnificatia notatiilor este: O-oscilator cu cuart; ES-etaj separator; M-modulator; RL-selectare regim de lucru; GSM-generator de semnal modulator; PF-etaj prefinal; EF-etaj final; SP-semnalizare si protectii; ASP-afisaj putere US; T-traductor US; RP-reglaj al puterii; PDT / TDT-programare / temporizare durata tratament; ASD-afisaj durata tratament; SA-sursa alimentare.
Etajul separator (ES), realizat cu optocuplor, are rolul de a micsora influenta sarcinii (T) asupra oscilatorului. Exista doua regimuri de lucru: un regim de emisie continua a US si un regim in impulsuri. Frecventa de modulare pentru regimul intermitent este de 50 Hz. Durata tratamentului se programeaza cu un comutator decadic montat pe panou. La terminarea timpului de tratament etajul final este blocat. Reglajul puterii US se efectueaza cu un potentiometru dispus pe panou. Cuplajul corect intre traductor si pielea pacientului, ceea ce inseamna folosirea a peste 50% din suprafata traductorului, este semnalizat masurand defazajul dintre curentul si tensiunea aplicate capului sonic. La un cuplaj foarte bun acest defazaj este de cca. 2400, iar la scaderea calitatii cuplajului defazajul creste la 270 2800. In acest ultim caz ceasul de tratament poate intrerupe emisia US. Puterea maxima emisa este de 13 W, rezultand o intensitate medie de pana la 2 W/cm2.

Figura 20 Schema bloc a unui aparat de terapie cu US
|
Politica de confidentialitate | Termeni si conditii de utilizare |
Vizualizari: 3987
Importanta: ![]()
Termeni si conditii de utilizare | Contact
© SCRIGROUP 2025 . All rights reserved