| CATEGORII DOCUMENTE |
| Animale | Arta cultura | Divertisment | Film | Jurnalism | Muzica |
| Pescuit | Pictura | Versuri |
1.Ce reprezinta vitalitatea navei?
1. capacitatea navei de a pluti in conditii de avarie
. 2. capacitatea navei de a-si mentine caracteristicile tehnice,de exploatare si proprietatile nautice in conditii de avarie.
3. capacitatea navei de a-si mentine caracteristicile tehnice,de exploatare si proprietatile nautice in conditii normale de exploatare.
2.Capacitatea unei nave de a-si mentine caracteristicile tehnice de exploatare si proprietatile nautice in conditii de avari se defineste in termeni de specialitate ca fiind:
vitalitatea navei.
vitalitatea echipajului.
vitalitatea mijloacelor de salvare ale navei.
3.Care sunt mijlocele de care dispune o nava pentru asigurarea vitalitatii sale?
mijloace de salvare individuale si colective.
un ansamblu de instalatii,dispozitive si obiecte de inventar,destinate sa asigure prevenirea,combaterea sau limitarea avariilor si efectelor acestora.
proprietatile ei nautice respectiv flotabilitatea, nescufundabilitatea si manevrarea.
4.Cum se defineste vitalitatea echipajului?
capacitatea echipajului de a-si asigura existenta in conditii de avarie a navei.
capacitatea echipajului de a asigura pastrarea stabilitatii navei in conditii de avarie.
capacitatea echipajului de a asigura salvarea navei.
5.In exploatarea navei ,asigurarea vitalitatii are un rol deosebit.Ce se intelege in acest sens,prin vitalitatea echipajului?
vitalitatea echipajului reprezinta gradul de pregatire profesionala si mijloacele de care acesta dispune pentru pastrarea caracteristicilor normale de exploatare a navei.
capacitatea sa de a-si asigura existenta in conditii de avariere a navei sau de pierderea a acesteia, in scopul prevenirii si combaterii pierderii de vieti omenesti.
capacitatea echipajului de a asigura pastrarea navei in conditii de avarie.
6.Cine reglementeaza dotarea navelor cu instalatii si mijloace pentru asigurarea vitalitatii?
Regulile pentru clasificarea navelor,elaborate de RNR.
cerintele unitatii armatoare.
prevederile Ministerului Transporturilor.
7.Cine reglementeaza dotarea navelor cu instalatii si mijloace pentru asigurarea vitalitatii?
aceste reglementari sunt facute de asociatiile de armatori in conformitate cu rezolutiile IMO.
aceste reglementari sunt facute de Registrele Navale.
dotarea navelor se face functie de gradul lor de complexitate, destinatia acesteia si zona de navigatie unde aceasta isi desfasoara activitatea.
8.In scopul asigurarii vitalitatii unei nave,un rol hotarator revine echipajului,care trebuie sa asigure o exploatare nomala a acesteia printr-o permanenta actiune de control si prevenire a avariilor ce s-ar putea produce.Este corecta aceasta afirmatie?
da.
nu,pentru ca asigurarea vitalitatii navei este data de dotarile ei tehnice si nu de actiunile echipajului.
nu.
9.Succesul asigurarii vitalitatii unei nave depinde si de modul in care echipajul cunoaste constructia,caracteristicile si particularitatile navei,ale mecanismelor si dispozitivelor cu care aceasta este dotata,modul lor de utilizare.Este corecta aceasta afirmatie in acest context?
partial, pentru ca ea se refera la doua aspecte diferite intre ele,respectiv la vitalitatea navei si la vitalitatea echipajului,ceea ce nu este acelasi lucru.
nu,pentru ca asigurarea vitalitatii navei nu are nimic de a face cu echipajul,ea fiind asigurata din constructie.
da.
10.Cine reglementeaza dotarea navelor cu materiale pentru combaterea avariei corpului si pentru stingerea incendiilor in scopul asigurarii vitalitatii lor?
cerintele unitatilor armatoare si instructiunile P.S.I.
Normele Registrului Naval.
normele de dotare ale santierului naval constructor.
11.Prevenirea si combaterea incendiilor la bordul navelor se face in scopul asigurarii vitalitatii navei,a eliminiarii pierderilor materiale si de vieti omenesti.Cum se realizeaza practic acest lucru?
prin dotarea navelor cu mijloace adecvate de prevenire si combatere.
printr-o instruire corespunzatoare a echipajului si dotare tehnica cu mijloace de avertizare,mijloace mobile si fixe,precum si cu echipamente de protectie specifice.
printr-o mai buna dotare a navelor cu echipamente de avertizare si stingere a incendiilor.
12.Ce mijloace de asigurare a vitalitatii are echipajul la indemana in cazul incendiilor?
dotara tehnica ce se refera la mijloacele de stingere, respectiv stingatoarele si instalatiile de stingere precum si avertizoarele de incendiu.
o serie de mijloace active cu ajutorul carora echipajul actioneaza nemijlocit in scopul prevenirii sau stingerii si o alta serie de mijloace pasive de prevenire,izolare si combatere,cu care nava este dotata din proiectare si constructie.
dotarea tehnica corespunzatoare a navei si pregatire calificata a echipajului pentru a face fata la orice problema de aceasta natura.
13.In constructia navelor se practica dotarea lor,in masura in care este posibil,cu mijloace tehnice de rezerva care sa poata fi folosite la momentul oportun.Poate fi considerat acest fapt un mijloc de asigurare a vitalitatii navei?
nu,pentru ca acest lucru contribuie la asigurarea functionarii in bune conditii a navei si nu pentru asigurarea vitalitatii.
dotarea navelor cu mijloace tehnice de rezerva este menita a asigura navei o exploatare corespunzatoare.
da.
14.Ce sunt mijloacele pasive de asigurare a vitalitatii unei nave?
sunt acele mijloace ce sigura vitalitatea prin insasi dispunerea si caracteristicile lor constructive si functionale si asupra carora echipajul nu intervine in timpul activitatii
de eliminare sau diminuare a avariilor.
sunt mijloce fixe de care dispune nava pentru asigurarea vitalitatii.
compartimentarea navei,care asigura nescufundarea in cazul in care a fost inundat un compartiment sau mai multe.
15.In ce scop se face compartimentarea navei?
compartimentarea asigura etansarea perfecta a diferitelor compartimente.
compartimentarea asigura izolarea unui compartiment de celelalte.
compartimentarea asigura nescufundabilitatea in caz de inundare partiala a navei si impiedica extinderea focului dintr-un compartiment in altul.
16.Capacitatea navei de a-si mentine caracteristicile tehnice,de exploatare si proprietatile nautice in caz de avarie,reprezinta:
vitalitatea echipajului.
stabilitatea navei.
vitalitatea navei.
17.Capacitatea echipajului de a-si asigura existenta in conditii de avarie a navei,reprezinta:
rolurile de echipaj.
vitalitatea echipajului.
vitalitatea navei.
18.In ce consta compartimentarea corpului navei?
dispunerea compartimentului masini in prova navei,langa forepeak.
dispunerea de tancuri de balast in borduri,la toate tipurile de nave.
impartirea corpului navei in compartimente etanse,prin amplasarea peretilor etansi.
19.Cum se mai numeste spatiul cuprins intre primul perete trasversal etans si etrava navei?
coferdam.
2. forepeak.
3. afterpeak.
20.Cum se mai numeste spatiul cuprins intre ultimul perete transversal etans si etamboul navei?
1. coferdam.
2. forepeak.
3. afterpeak.
21.Ce este forepeak-ul?
1. spatiul cuprins intre ultimul perete transversal etans si etamboul navei.
2. spatiul cuprins intre primul perete transversal etans si etrava navei.
3. spatiul cuprins intre compartimentul masini si magazia de marfa.
22.La ce folosesc coferdamurile?
1. la pastrarea diferitelor dispozitive de vitalitate.
2. la amplasarea inventarului de avarie.
3. pentru limitarea avariilor de la un tip de compartiment la alt tip.
23.Unde apar cele mai fecvente avarii la corpul navei?
1. in prova,pupa si dublul fund.
2. in magaziile de marfa.
3. in compartimentul masini.
24.Una dintre masurile constructive pentru asigurarea nescufundabilitatii navei este si:
1. instruirea echipajului prin 'rolurile de echipaj'.
2. dotarea navei cu inventarul de avarie.
3. compartimentarea navei.
25.Poate fi considerata instalatia de balast ca facand parte dintre mijloacele de asigurare a vitalitatii navei?
nu ,pentru ca aceasta serveste la asigurarea stabilitatii navei si nu la asigurarea nescufundabilitatii ai.
da.
nu.
26.Pote fi considerata instalatia de santina ca facand parte dintre mijloacele de asigurare a vitalitatii navei?
nu ,pentru ca aceasta serveste la asigurarea stabilitatii navei si nu la asigurarea nescufundabilitatii ai.
da.
nu.
27.Pentru eliminarea apei si redresarea pozitiei navei avariate,navele sunt dotate cu:
instalatii de stins incendiul.
instalatii de filtrare-separare a apelor de santina.
instalatii de santina si balast.
28.Pentru umplerea/golirea tancurilor de balast,in vederea imbunatatirii stabilitatii navei este folosita:
instalatia de santina.
instalatia de balast.
instalatia de stins incendiul cu apa.
29.Ce instalatii sunt destinate umplerii sau golirii tancurilor de balast,in vederea corectarii pozitiei navei in diverse situatii de incarcare si navigatie ?
instalatia de stins incendiu cu apa.
instalatia de santina.
instalatia de balast.
30.Evidentiati unul din principalele mijloace pasive de asigurare a vitalitatii navelor.
pompe de santina si balast.
dispozitive si instalatii de vitalitate.
amplasarea mecanismelor.
31.Evidentiati unul din principalele mijloace pasive de asigurare a vitalitatii navelor.
dotarea cu pompe de santina si balast de rezerva.
compartimentarea navei.
compartimentul de avarie.
32.Evidentiati unul din principalele mijloace pasive de asigurare a vitalitatii navelor.
deschiderile etanse.
mijloacele de avertizare si semnalizare in caz de avarie.
dotarea cu echipamente adecvate acestui scop.
33.Evidentiati unul din principalele mijloace pasive de asigurare a vitalitatii navelor in caz de incendiu..
modul de dispunere a tancurilor.
protectia constructiva contra incendiilor.
modul de amplasare al coferdamurilor.
34.In ce consta protectia constructiva contra incendiilor la nave?
separarea de restul navei a incaperilor locuite,prin compartimentari avand o rezistenta termica si mecanica corespunzatoare.
dotarea navelor cu mijloace de stingere performante.
instruirea corespunzatoare a echipajului si dotarea cu tehnica de stingere performanta.
35.In ce consta protectia constructiva contra incendiilor la nave?
instruirea corespunzatoare a echipajului si dotarea cu tehnica de stingere performanta.
sisteme de atentionare si instalatii de stingere.
posibilitatea de a detecta,localiza si stinge incendiul acolo unde el s-a produs.
36.Care este unul dintre elementele ce concura la protectia constructiva contra incendiilor la nave?
protejarea iesirilor.
sisteme de atentionare si instalatii de stingere.
modul de utilizare a tehnicii din dotare.
37.Rolul instalatie de stins incendiul la nave este acela de a feri nava si echipajul de pericolul pe care il reprezinta focul.Poate fi considerata aceasta instalatie ca facand parte din mijloacele de asigurare a vitalitatii?
nu,pentru ca aceste instalatii nu au rol in asigurarea flotabilitatii si nescufundabilitatii navei.
nu pentru ca aceste instalatii fac parte dintre mijloacele active.
da.
38.Rolul instalatiei de balast este acela de a asigura navei o asietate si banda corespunzatoare functie de modul de incarcare si conditiile de navigabilitate.Poate fi considerata aceasta instalatie,in conditiile date,ca facand parte dintre mijloacele de asigurare a vitalitatii?
nu,pentru ca in aceste conditii ea indeplineste un alt rol.
da.
da,pentru ca asigurarea plutirii pe asieta si banda dreapta este tot un mijloc de asigurare a vitalitatii.
39.Instalatia de santina are rolul de drenare a santinelor unor compartimente in urma acumularii unor scurgeri de produse lichide provenind din activitatea de exploatare curenta.Poate fi considerata aceasta instalatie ,in conditiile date,ca facand parte dintre mijloacele de asigurare a vitalitatii?
nu, pentru ca in aceste conditii ea indeplineste un alt rol.
da, pentru ca acest lucru contribuie la asigurarea nescufundabilitatii navei.
3. da.
40.Care sunt instalatiile pentru asigurarea vitalitatii,cu care este dotata orice nava?
instalatiile de incarcare-descarcare si de legare.
instalatiile de balast,santina si stins incendii.
instalatii de salvare si remorcare.
41.Ce presupune compartimentarea navei?
dotarea navei,din constructie,cu pereti etansi despartitori care sa asigure compartimente etanse navei.
reguli impuse de normele de registru,privind compartimentele etanse ale navei.
dispunerea peretilor despartitori intre magaziile de marfuri.
42.In ce categorie de activitati specifice putem sa integram masurile care se iau pentru asigurarea nescufundabilitatii navei?
masuri tehnico-organizatorice.
masuri constructive.
masuri tehnico-organizatorice, constructive si masuri pentru mentinerea si restabilirea navei avariate.
43.Una dintre masurile constructive pentru asigurarea nescufundabilitatii navei este si:
dotarea cu mijloace adecvate.
compartimentarea navei.
existenta instalatiei de salvare.
44.In afara mijloacelor pasive de care dispune nava pentru asigurarea vitalitatii mai exista si altele.Care sunt acelea?
instalatiile de santina si balast.
instalatiile de santina si cele de stins incendiul.
mijloacele active.
45.Ce sunt mijloacele active de asigurarea vitalitatii navei?
sunt acele mijloace care asigura vitalitatea navei,prin utilizarea lor de catre echipajul navei.
instalatiile de santina si cele de stins incendiul.
instalatiile de santina si balast.
46.Ce instalatii fac parte din categoria mijloacelor active de asigurare a vitalitatii navei?
instalatiile de detectare si avertizare contra incendiilor.
instalatiile de santina si balast.
instalatiile de santina,balast, incendiu.
47.Care sunt principalele mijloace de care dispune nava pentru stingerea incendiilor in scopul mentinerii vitalitatii ei?
detectoare de incendiu,instalatia de stins incendiul,stingatoare portabile.
mijloace active si mijloace pasive.
instalatii de stins incendiul cu sprinklere.
48.Care sunt mijloacele active de combatere a incendiilor la nave in scopul asigurarii vitalitatii ei?
mijloacele de stingere portabile si instalatii specializate.
instalatii de stins incendiu cu apa,bioxid de carbon,pulberi chimice,abur,spuma chimica si mecanica.
instalatiile de detectare automata a incendiilor.
49.Cu ce tipuri de instalatii sunt dotate,in general navele, in scopul stingerii incendiilor?
instalatii de stingere cu apa, spuma, praf, bioxid de carbon.
instalatii de stingere cu sprinklere, instalatii de stingere cu apa, spuma, praf, bioxid de carbon, abur.
instalatii de stingere cu splrinklere, inatalatii de stingere cu apa, spuma, praf, bioxid de
carbon, abur, haloni.
50.In ce conditii poate fi utilizata la nava, instalatia de stingere cu bioxid de carbon pentru combaterea incendiilor?
aceasta instalatie poate fi utilizata numai pentru stingera incendiilor de natura electrica.
numai pentru stingerea incendiilor in compartimente unde exista duze de distributie a acestui agent de stingere si care pot fi inchise etans.
numai in compartimentele de masini,camera carmei,magazii de marfa,etc.
51.Care este cea mai utilizata metoda de prevenire a incendiilor la navele care transporta produse petroliere cu risc ridicat de inflamabilitate?
interzicerea fumatului in locurile nepermise, lucrul cu flacara deschisa interzis, lucrul fara scule metalice care pot produce scantei.
introducerea gazului inert in tancurile de marfa.
inundarea puntilor cu o perdea de apa.
52.Gaurile de apa se clasifica functie de:
starea de incarcare a navei.
provenienta, dimensiunile,pozitia si aspectul lor.
modul lor de astupare
53.In cadrul masurilor tehnico-organizatorice ce se iau in timpul exploatarii navei,pentru asigurarea nescufundabilitatii navei,intra:
mentinerea in stare de functionare a instalatiilor de vitalitate.
existenta intinzatorilor de sart.
existenta somarilor si turnichetilor.
54.Gaurile de apa sunt:
orificii practicate in punti pentru scurgere.
gauri prin care se face o trecere a unei parame sau a lanturilor de ancora.
sparturi din corpul navei ce apar ca urmare a diverselor avarii.
55.Cum se clasifica gaurile de apa?
dupa provenienta, dimensiuni si aspect.
dupa posibiliatea de obturare si pozitia fata de nivelul apei.
dupa gradul de pericol pe care-l prezinta pentru nava.
56.Cum se clasifica gaurile de apa?
dupa gradul de pericol pe care-l prezinta pentru nava.
dupa dimensiuni,dupa pozitia in raport cu suprafata apei.
dupa locul in care s-au produs(prova,pupa, babord.tribord).
57.Cum se clasifica gaurile de apa?
dupa locul in care s-au produs(prova,pupa, babord.tribord).
dupa gradul de pericol pe care-l prezinta pentru nava.
dupa aspect,dupa pozitia in raport cu suprafata apei,dupa dimensiuni,dupa provenienta.
58.Care tipuri de gauri de apa sunt incluse intr-o clasificare tinand cont de provenienta acestora?
gauri de apa produse in urma coliziunii cu alte nave.
gauri de apa dispuse deasupra liniei de plutire.
gauri de apa cu aspect neregulat.
59.Care tipuri de gauri de apa sunt incluse intr-o clasificare tinand cont de provenienta acestora?
gauri de apa dispuse in zona liniei de plutire.
gauri de apa cauzate de esuari.
gauri de apa cu aspect regulat.
60.Care tipuri de gauri de apa sunt incluse intr-o clasificare tinand cont de
provenienta acestora?
gauri de apa dispuse in zona liniei de plutire.
gauri de apa mici,mijlocii,mari si foarte mari.
garuri de apa cauzate de coliziuni cu corpuri care plutesc sau sunt in imersiune.
61.Cum se clasifica gaurile de apa dupa dimensiuni?
gauri de apa mici,mijlocii,mari, foarte mari.
gauri de apa mari si foarte mari.
gauri de apa cu aspect regulat si gauri cu aspect neregulat.
62.Cum se clasifica gaurile de apa functie de aspectul lor?
gauri de apa mici,mijlocii,mari, foarte mari.
gauri de apa dispuse deasupra liniei de plutire sau sub linia de plutire.
gauri de apa cu aspect regulat si margini netede si cu aspect neregulat si margini deformate.
63.In timpul exploatarii unei nave,pot apare accidente care sa duca la perforarea corpului acesteia.Aceste perforatii se numesc gauri de apa.Cum se clasifica acestea?
dupa locul unde s-au produs(prova,pupa, babord,tribord).
dupa gradul de pericol pe care-l prezinta pentru nava.
dupa aspect,dupa pozitia in raport cu suprafata apei,dupa dimensiuni,dupa provenienta.
64.Ce reprezinta inventarul de avarie al unei nave?
totalitatea materialelor si dispozitivelor pentru combaterea avariei corpului navei.
totalitatea mijloacelor active si pasive cu care este dotata nava.
totalitatea instalatiilor din dotarea navelor,care contribuie decisiv la salvarea navei in caz de avarie.
65.Din ce este constituit inventarul de avarie al unei nave?
totalitatea sculelor,dispozitivelor si materialelor care se afla in inventarul navei.
inventarul de avarie este format din panouri cu margini moi,paiete intarite si chesoane de ciment.
toate dispozitivele,sculele si materialele utilizate in lupta pentru combaterea avariei corpului navei.
66.Este corecta formularea : inventarul de avarie este constituit din totalitatea sculelor, materialelor si dispozitivelor pentru combaterea avariei corpului navei?
da.
nu.
nu pentru ca aceasta formulare este incompleta.
67.Ce cuprinde inventarul de avarie al unei nave?
instalatii pentru asigurarea nescufundabilitatii navei.
materialele,sculele si dispozitivele folosite pentru astuparea gaurilor de apa.
documentatii cu regulile pe care trebuie sa le indeplineasca echipajul in caz de avarie.
68.Ce cuprinde inventarul de avarie al unei nave?
instalatii care concura la asigurarea vitalitatii navei.
mijloacele de evacuare a apei din compartimentele inundate.
paiete,plasturi cu margini moi,cleme de avarie cu surub.
69.Ce cuprinde inventarul de avarie al unei nave?
paiete,plasturi, dispozitive de prindere si fixare,dulapi,truse de scule.
plasturi,panouri, dopuri,capace,scule universale de pescuit.
mijloace de evacuare a apei din compartimentele inundate.
70.Care este numarul minim de posturi de avarie existente pe o nava maritima sau fluviala de marime mare?
unu.
trei.
3. doua.
71.Care este culoarea in care sunt vopsite obiectele inventarului de avarie?
1. albastru.
2. galben.
3. rosu.
72.Care este logica pentru care obiectele care fac parte din inventarul de avarie sunt vopsite in rosu?
1. pentru a putea fi recunoscute usor si pentru a preveni utilizarea lor in alte scopuri.
2. aceasta este culoarea standardizata si obligatorie prin norme de Registru.
3. obiectele care fac parte din inventarul de avarie nu sunt vopsite in rosu.
73.Care este logica pentru care obiectele care fac parte din inventarul de avarie sunt vopsite in dungi albastre?
1. aceasta este culoarea standardizata si obligatorie prin norme de Registru.
2. pentru a putea fi recunoscute usor si pentru a preveni utilizarea lor in alte scopuri.
3. obiectele care fac parte din inventarul de avarie nu sunt vopsite in dungi albastre.
74.Unde trebuie sa fie amplasat un post de avarie?
1. in magazia de piese si materiale.
2. in picul prova sau pupa.
3. pe puntea principala a navei.
75.Unde trebuie sa fie amplasat un post de avarie?
1. in picul pupa.
2. in apropierea compartimentului masini.
3. in magazia de marfa.
76.Daca o nava are mai mult de doua posturi de avarie,unul trebuie sa fie amplasta
in imediata vecinatate a compartimentului de masini.Cum se marcheaza un astfel de compartiment?
printr-o eticheta care sa ateste tipul de compartiment.
prin inscriptii in engleza si limba tarii de inmatriculare.
prin inscriptionare si vopsirea usii partial sau total albastru.
77.Cum trebuie sa fie amplasat compartimentul destinat depozitarii materialelor de vitalitate?
astfel incat sa permita accesul usor si rapid,in locuri fara pericol de degradare.
astfel incat sa permita accesul a doi membri din echipaj,in acelasi timp,astfel incat sa permita deschiderea concomitenta a doua usi de intrare in compartiment.
in locuri cu acces foarte usor si cu orientarea deschiderilor spre borduri.
78.Daca spargerea unui tanc nu este evidenta,cum se face cercetarea acestei eventuale avarii?
prin deschiderea sub un unghi mic a portilor etanse ale compartimentelor.
vizual.
cu ajutorul traductoarelor de nivel sau al sondarii manuale.
79.Paietul se utilizeaza pentru astuparea gaurilor de apa:
mijlocii.
mari.
mici.
80.Ce este plasturele cu margini moi?
este un dispozitiv cu care se astupa gaurile de dimensiuni mici si mijlocii.
este un dispozitiv cu care se astupa gaurile de dimensiuni mari.
un panou din scanduri de lemn,de forma patrata, dreptunghiulara sau de oricare alta forma geometrica,avand pe contur aplicate perne(margini moi) de etansare.
81.Ce este plasturele cu margini moli?
este un panou din lemn de diverse forme(patrat,rotund, dreptunghiular) avand aplicate pe margini perne moi de etansare.
plasture cu margini moi face parte din categoria materialelor de avarie.
este un panou rigid care se aplica pe gaura de apa.
82.Gaurile de apa mijlocii se astupa cu:
panouri cu margini moi.
dopuri si pene.
montanti.
83.Gaurile de apa situate in dreptul gurnei se astupa de regula cu:
panouri rigide.
panouri cu margni moi.
chesoane de ciment.
84.Gaurile de apa mici se pot astupa cu dopuri,pene sau utilizand un dispozitiv numit:
pontilul reglabil.
surubul de fund.
panou cu margini moi.
85.Cum se introduce surubul de fund pentru obturarea gaurii de apa?
de la exteriorul catre interiorul navei.
de la interiorul catre exteriorul navei.
cu ajutorul pontilului reglabil.
86.Cum se vopsesc dopurile si penele din lemn din esenta moale?
in albastru.
in galben.
nu se pitureaza.
87.Ce reprezinta desenul de mai jos?

un panou cu margini moi.
un plasture de vitalitate.
un punct rigid.
88.Ce este clema de avarie cu surub?
un dispozitiv folosit pentru fixarea panourilor peste gaura de apa.
un dispozitiv folosit pentru fixarea paietului peste gaura de apa.
un dispozitiv folosit pentru fixarea pontilului reglabil.
89.Din ce este confectionat panoul cu margini moi?
din doua foi de panza de vela ce au intre ele un stat uniform de material vegetal.
din doua straturi de scanduri intre care se pune o panza de vela imbibata in seu si o garnitura de cauciuc la partea interioara a panoului.
din patru foi de panza de vela ce au intre le un stat uniform de material vegetal,iar la margini cu o saula ce are la colturi ochi de rodanta.
90.Din ce este confectionat paietul utilizat pentru astuparea gaurilor de apa mari si foarte mari?
din doua straturi de scanduri intre care se pune o panza de vela imbibata in seu si o garnitura de cauciuc la partea interioara a panoului.
din doua foi de panza de vela ce au intre ele un stat uniform de material vegetal,iar la margini o grandee si avand la cele patru colturi cate un ochi cu rodanta pentru prinderea paramelor..
3. din doua straturi de scanduri dispuse pe directii opuse.
91.Cum este confectionat paietul utilizat pentru astuparea gaurilor de apa mari si foarte mari?
paietul nu se foloseste pentru astuparea gaurilor de apa foarte mari.
din lemn avand diverse forme geometrice si care are prevazut pe margini perne moi de etansare.
din foi de panza impermeabila ce au intre ele un strat uniform de material vegetal,uneori si o plasa de sarma cu scopul de rigidizare si prevazut la colturi cu ochi cu rodanta si ochiuri pentru paramele de manevra,paramele de fund si pentru bratele paietului.
92.Cum se numeste elementul reprezentat in desenul alaturat?

panou cu margini moi.
dispozitiv de vitalitate.
paiet impletit
93.Din ce este alcatuit pontilul reglabil?
dintr-o bara metalica intre care se afla doua piese mobile prevazute cu carlige pentru fixare pe coastele navei.
dintr-o tija filetata prevazuta cu piulita fluture si care are la capat o furca metalica basculanta fixata cu un bolt.
dintr-o teava metalica filetata,in care se introduce o tija cu orificii de reglare a lungimii.
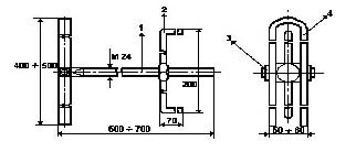
94.Din ce este alcatuita clema de avarie cu surub?
dintr-o bara metalica intre care se afla doua piese mobile prevazute cu carlige pentru fixare pe coastele navei.
dintr-o tija filetata prevazuta cu piulita fluture si care are la capat o furca metalica basculanta fixata cu un bolt.
dintr-o teava metalica filetata,in care se introduce o tija cu orificii de reglare a lungimii.
95.Din ce este alcatuit dispozitivul universal de strangere?
dintr-o bara metalica intre care se afla doua piese mobile prevazute cu carlige pentru fixare pe coastele navei.
dintr-o tija filetata prevazuta cu piulita fluture si care are la capat o furca metalica basculanta fixata cu un bolt.
dintr-o teava metalica filetata,in care se introduce o tija cu orificii de reglare a lungimii.
96.Prin ce parte a navei se aduce paietul rigid in dreptul gaurii de apa?
prin partea cea mai apropiata de gaura de apa.
prin pupa navei.
prin prova navei.
97.Se poate aplica paietul peste gaura de apa in timpul marsului navei?
da.
nu.
depinde de marimea gaurii.
98.Ce repezinta dopurile si penele de lemn,in cadrul inventarului de avarie al navei?
scule de vitalitate.
dispozitive de vitalitate.
materiale de vitalitate.
99.Ce reprezinta grinzile si dulapii din lemn de esenta moale,in cadrul inventarului de avarie al navei?
1. scule de vitalitate.
2. dispozitive de vitalitate.
3. materiale de vitalitate.
100.In inventarul de avarie se gasesc in mod obligatoriu panza de vela,foi de cauciuc si stupa gudronata,calti,etc.Ce sunt aceste repere?
1. scule de vitalitate.
2. dispozitive de vitalitate.
3. materiale de vitalitate.
101.In ce categorie intra trusa de matelotaj in cadrul inventarului de avarie al navei?
1. in categoria sculelor de vitalitate.
2. in categoria dispozitivelor de vitalitate.
3. in categoria materialelor de vitalitate.
102.Ce este panoul format din doua straturi de scandura,dispuse pe directii diefrite,care au intre ele straturi de panza de vela si pe contur perne moi de etansare?
1. paietul de avarie utilizat pentru astuparea gaurilor de apa mari.
2. panoul cu margini moi utilizat pentru astuparea gaurilor de apa mici si mijlocii.
3. pontilul reglabil.
103.Ce este specific panoului cu margini moi?
1. ochiurile de rodanta din colturi.
2. se foloseste la astuparea gaurilor de apa din zona gurnei.
3. panza de vela imbibata cu vaselina,pusa intre doua randuri de scanduri.
104.Ce tipuri de gauri de apa se obtureaza cu ajutorul panoului cu margini moi?
1. mici.
2.mari.
3. mijlocii.
105.Panoul cu margini moi nu se foloseste pentru astuparea gaurilor de apa:
1. din zona gurnei.
2. de sub linia de plutire.
3. de deasupra liniei de plutire.
106.Cu ce nu se poate fixa panoul cu margini moi peste gaura de apa?
1. cu pontilul reglabil.
2. cu clema de avarie cu surub.
3. cu surubul de fund.
107.Unde poate fi folosit panoul cu margini moi in scopul etansarii gaurilor de apa?
1. pe suprafetele plane ale navei.
2. in zona gurnei.
3. pe suprafetele curbe ale navei.
108.Desenul de mai jos reprezinta un panou cu margini moi.Ce este reperul 1?

1. marginile moi.
2. strat de scanduri exterior.
3. panza de vela.
109.Desenul de mai jos reprezinta un panou cu margini moi.Ce reprezinta reperul 2?

1. strat exterior de scanduri.
2. panza de vela.
3. margini moi.
110.Desenul de mai jos reprezinta un panou cu margini moi.Ce reprezinta reperul 3 ?

1. strat interior de scanduri.
2. panza de vela.
3. strat exterior de scanduri.
111.In desenul alaturat este reprezentat un surub de fund.Ce este reperul 1?

1. flansa de etansare.
2. surubul propriu-zis.
3. piulita de strangere.
112.In desenul alaturat este reprezentat un surub de fund.Ce este reperul 4?
1. surubul propriu-zis.
2. dispozitivul de prindere.
3. orificiul de prindere al saulei.
113.Se pot astupa gaurile de apa mijlocii cu ajutorul surubului de fund?
1. da.
2. nu.
3. daca sunt situate sub linia de plutire,da.
114.Care dintre afirmatiile de mai jos este adevarata?
1. surubul de fund se foloseste la astuparea gaurilor situate sub linia de plutire.
2. surubul de fund se foloseste la astuparea gaurilor de apa din zona gurnei.
3. surubul de fund se foloseste la astupareea gaurilor de apa mici situate pe fundul navei.
115.Ce fel de gauri de apa se astupa cu ajutorul clemei de avarie cu cu surub?
1. gauri de apa mici.
2. gauri de apa mijlocii.
3. nici un fel de gauri de apa.
116.Clema de avarie cu surub se foloseste pentru fixarea panoului cu margini moi in
scopul astuparii gaurilor de apa:
1. mici.
2. mijlocii.
3. mari.
117.In desenul alaturat este reprezentat:

1. dispoZitivul de avarie cu surub.
2. surubul de fund.
3. clema de avarie cu surub.
118.Desenul de mai jos reprezinta un panou cu margini moi.Ce este reperul 4?

1. strat interior de scanduri.
2. margini moi.
3. panza de vela.
119.Ce reprezinta desenul de mai jos?

un dispozitiv de strangere.
pontilul reglabil.
surubul de fund.
120.Ce fel de gauri putem incerca sa le obturam cu ajutorul surubului de fund?
gaurile de apa mici.
gaurile de apa mijlocii.
gaurile de apa de deaasupra liniei de plutire.
121.Ce este surubul de fund in contextul in care acesta este considerat ca fiind un dispozitiv de asigurare a vitalitatii unei nave?
se foloseste impreuna cu dispozitivul universal de strangere.
este un surub prevazut cu piulita si garnituri de cauciuc si care la capatul filetat are un orificiu pentru prinderea saulei.
este un dispozitiv de dimensiuni mari care ajuta la obturarea gaurilor de apa mici si mijlocii.
122.In desenul alaturat este reprezentat un surub de fund.Ce este reperul 2?

1. flanse de etansare.
2. garnituri de cauciuc sau alt material similar.
3. piulite de prindere.
123.In desenul alaturat este reprezentat un surub de fund.Ce este reperul 3?

1. flanse de etansare.
2. garnituri de cauciuc sau alt material similar.
3. piulite de strangere.
124.Ce tipuri de gauri de apa se pot obtura cu ajutorul dispozitivului universal de strangere?
1. gauri de apa mici.
2. gauri de apa mijlocii.
3. nici un fel de gauri de apa.
125.Ce tipuri de gauri de apa se pot obtura cu ajutorul dispozitivului universal de strangere si al panoului cu margini moi?
1. gauri de apa mici.
2. gauri de apa mijlocii.
3. gauri de apa mari.
126.In desenul alaturat se prezinta modul de fixare a
unui panou cu margini moi cu ajutorul unui dispozitiv.De ce fel de dispozitiv
este vorba?
1. dispozitivul universal de strangere.
2. surubul universal.
3. clema de avarie.
127.In desenul alaturat se prezinta modul de fixare a unui panou cu margini moi cu ajutorul unui dispozitiv.De ce fel de dispozitiv este vorba?

1. dispozitivul universal de strangere.
2. surubul universal.
3. clema de avarie.
128.Cum este fixat panoul cu margini moi in desenul alaturat?

1. cu ajutorul clemei de avarie.
2. cu ajutorul dulapilor si penelor de fixare.
3. cu ajutorul dispozitivului universal.
129.Clema de avarie cu surub este:
1. o instalatia de vitalitate.
2. o scula de vitaliate.
3. un dispozitiv de vitalitate.
130.Ce tipuri de gauri se astupa cu ajutorul pontilului reglabil?
1. gauri de apa mici.
2. mijlocii.
3. cu pontilul reglabil nu se astupa gauri.de apa.
131.In ce scop se utilizeaza la nave pontilul reglabil?
1. pentru astuparea gaurilor de apa mici si mijlocii.
2. pentru fixarea panourilor cu margini moi pe gaurile
de apa mici si mijlocii.
3. pentru asiguarea vitalitatii navei in conditii de avarie.
132.Ce reprezinta imaginea alaturata?
1. un dispozitiv universal de strangere.
2. o clema de avarie.
3. un pontil reglabil.
133.In figura de mai jos este prezentata:

1. fixarea panoului cu margini moi cu ajutorul pontilului reglabil.
2. astuparea gaurilor de apa foarte mari.
3. fixarea panoului cu margini moi cu ajutorul dispozitivului universal de strangere.
134.In figura de mai jos este prezentata:

1. fixarea panoului cu margini moi cu ajutorul pontilului reglabil.
2. fixarea panoului cu margini moi cu ajutorul clemei de avarie cu surub.
3. fixarea panoului cu margini moi cu ajutorul dispozitivului universal de strangere.
135.Cum este fixat panoul cu margini moi in figura de mai jos?

1. cu pontili reglabili.
2. cu pene si grinzi de lemn.
3. cu dispozitivul universal de strangere.
136.In desenul alaturat este prezentata una dintre solutiile de fixare a panoului cu margini moi pentru obturarea gaurii de apa.Ce reprezinta reperul 1?

1. dulapi de fixare.
2. pana de prindere.
3. element de rezistenta a navei.
137.In desenul alaturat este prezentata una dintre solutiile de fixare a panoului cu margini moi pentru obturarea gaurii de apa.Ce reprezinta reperul 2?

1. element de rezistenta a navei.
2. pana de sustinere.
3. grinda de tensionare.
138.In desenul alaturat este prezentata una dintre solutiile de fixare a panoului cu margini moi pentru obturarea gaurii de apa.Ce reprezinta reperul 3?

1. element de rezistenta a navei.
2. pene de tensionare.
3. grinda de sprijin.
139.In desenul alaturat este prezentata una dintre solutiile de fixare a panoului cu margini moi pentru obturarea gaurii de apa.Ce reprezinta reperul 4?

1. grinda de sustinere.
2. panou cu margini moi.
3. gaura de apa.
140.In desenul alaturat este prezentata una dintre solutiile de fixare a panoului cu margini moi pentru obturarea gaurii de apa.Ce reprezinta reperul 1?

1. clema de avarie cu surub.
2. pontilul reglabil.
3. dispozitivul universal.
141.In desenul alaturat este prezentata una dintre solutiile de fixare a panoului cu margini moi pentru obturarea gaurii de apa.Ce reprezinta reperul 2?

1. element de rezistenta a navei.
2. dispouitiv de fixare.
3. element de sprijin.
142.In desenul alaturat este prezentata una dintre solutiile de fixare a panoului cu margini moi pentru obturarea gaurii de apa.Ce reprezinta reperul 3?

1. element de structura de rezistenta.
2. tabla cu gaura de apa.
3. table de sustinere.
143.In desenul de mai jos este reprezentat modul de astupare a unei gauri de apa cu cheson de ciment.Ce reprezinta elementul notat cu 1?

1. gaura de apa.
2. paiet rigid.
3. tabla corpului navei.
144.In desenul de mai jos este reprezentat modul de astupare a unei gauri de apa cu cheson de ciment.Ce reprezinta elementul notat cu 2?

element de rezistenta a navei.
o coasta a navei.
dulap de sustinere.
145.In desenul de mai jos este reprezentat modul de astupare a unei gauri de apa cu cheson de ciment.Ce reprezinta elementul notat cu 3?

paiet rigid.
gaura de apa.
cheson de ciment.
146.Ce este pontilul reglabil?
este un ansamblu demontabil compus dintr-un element sudat,gaurit la interior,in care culiseaza o tija distantiera.Ambele piese sunt prevazute cu gauri axiale in care se pot
introduce buloane pentru a le
fixa intr-o pozitie care sa asigure ansamblului lungimea
dorita.
este un element de rezistenta cu ajutorul caruia poate fi fixat pe gaura de apa dispozitivul de etansare.
este dispozitivul care se foloseste pentru fixarea plasturelui cu margini moi in gaura de apa.
147.Indicati ordinea logica in care se procedeaza pentru astuparea unei gauri cu cheson de ciment: 1-drenarea compartimentului inundat, 2-pregatirea mortarului, 3-pregatirea cofragului(forma in care se toarna mortarul), 4-fixarea paietului rigid, 5-curatarea si degresare suprafetei peste care se toarna chesonul, 6-astuparea la interior a gaurii cu panza de vela sau pasla curata, 7-turnarea mortarului.
1,3,4,2,5,6,7.
1,2,3,4,5,6,7.
4,1,5,3,6,2,7.
148.Indicati ordinea logica in care se procedeaza pentru astuparea unei gauri cu cheson de ciment: 1-drenarea compartimentului inundat, 2-pregatirea mortarului, 3-pregatirea cofragului(forma in care se toarna mortarul), 4-fixarea paietului rigid, 5-curatarea si degresare suprafetei peste care se toarna chesonul, 6-astuparea la interior a gaurii cu panza de vela sau pasla curata, 7-turnarea mortarului.
4,1,5,3,2,6,7.
4,1,3,5,2,6,7.
1,3,5,4,2,6,7.
149.Astuparea unei gauri de apa cu ajutorul chesonului de ciment este o masura cu caracter palitiv.Care sunt recomandarile Rgistrelor Navale cu privire la caracterul acestui tip de reparatie?
avaria va fi remediata in conditii de santier de indata ce acest lucru devine posibil.
verificarea periodica a integritatii chesonului de ciment si repararea lui de cate ori se constata ca s-a deteriorat sau a inceput sa patrunda apa.
controlul periodic daca acesta se afla sub nivelul apei.
150.Care este proportia nisip/ciment in formarea cimentului cu priza rapida utilizat pentru turnarea chesoanelor in cazul gaurilor de apa?
1/1.
2/1.
1/2.
151.Care este prima masura care trebuie luata in cazul in care s-a constatat producerea unei gauri de apa la corpul navei?
se intervine de urgenta pentru astuparea ei in scopul limitarii patrunderii apei in interiorul navei.
daca gaura de apa se afla deasupra nivelului apei,atunci nu exista nici un pericol si reparatia poate fi facuta in primul port.
informarea de urgenta a superiorilor si a echipei de interventie cu atributiuni pe linia rolului de gaura de apa.
152.Ce operatiuni specifice se cer a fi facute in cazul producerii unei gauri in bordul navei,sub nivelul apei?
compartimentul inundat se izoleaza daca este posibil ,de cele invecinate prin inchiderea usilor etanse si a altor deschideri in punti sau pereti.
se cerceteaza motivele producerii gaurii,dimensiunile acesteia si se stabileste modul de actiune si personalul care participa la aceasta actiune.
se suna alarma de rol de gaura si se trece la turnarea chesonului de ciment,nu inainte de fixarea paietului prin exteriorul navei pentru astuparea gaurii.
153.Cine stabileste modul de actiune,echipa de interventie si modul de lucru in cazul astuparii gaurilor de apa cu ajutorul chesoanelor de ciment?
exista reguli in acest sens.
actiunile intreprinse se fac in functie de Regulamentul Serviciului de Bord.
functie de regulile cuprinse in rolul de gaura de apa,dar solutiile aplicate depind de situatiile concrete in care se afla nava,de priceperea si nivelul de pregatire al celor ce executa lucrarea.
154.Prin ''rol de apel si instructiuni in caz de urgenta'' se intelege:
ansamblul de reguli si instructiuni prin care fiecare membru de echipaj are obligatia sa le execute intr-o situatie de urgenta pe nava,cand acest lucru se impune.
rolul echipajului intr-o anumita situatie de urgenta.
ansamblul actiunilor ce se excuta in mod organizat de catre personalul nebrevetat intr-o anumita situatie de urgenta.
155.Organizarea exercitiilor de urgenta se face:
numai in caz de urgenta.
o data pe luna.
ori de cate ori decide comandantul,dar nu mai rar de o data pe luna.
156.Cine si cand intocmeste rolurile de apel?
seful de echipaj cu scopul instruirii corespunzatoare a personalului din subordine pentru a sti sa intervina in diferite situatii de criza.
rolul de apel trebuie intocmit inainte de plecarea navei in voiaj de catre comandantul navei,iar in cazul navelor de pasageri acesta trebuie aprobat organizatoric al actiunilor ce trebuie inteprinse de catre personalul imbarcat,in diverse situatii.
seful mecanic cu scopul de a instrui personalul din subordine cu privire la conditiile specifice din compartimentul de masini.
157.Care este periodicitatea la care se fac exercitii de abandonare a navei si de incendiu?
o data pe luna.
cat mai des posibil.
fiecare membru al echipajului trebuie sa participe la cel putin un exerctiu de abandon si unul de incendiu,cel putin o data pe luna.
158.Cum se numeste ansamblul de instructiuni referitoare la obligatiile si modul de actiune pe care fiecare persoana ambarcata trebuie sa le respecte in situatii de urgenta?
rol de echipaj (rolul navei ).
instructiuni in caz de urgenta.
rol de abandon.
159.Ce este rolul de apel?
un exercitiu de alarmare a echipajului in situatii de criza.
un ansamblu de reguli referitoare la masurile ce trebuie luate de fiecare membru de echipaj in situtii de criza ,cand este declansat semnalul de urgenta respectiv.
un exercitiu prin care se verifica gradul de pregatire al echipajului in situatii de urgenta.
160.Unde este afisat, de regula, rolul de apel ?
in cabinele echipajului.
in cabine si saloane.
in locuri vizibile pretutindeni pe nava, pe putea de comanda,comanda masinii,cabine.
161.Rolul de incendiu trebuie sa indice obligatiile atribuite anumitor membri ai echipajului si care sa cuprinda:
locul si natura materialelor combustibile care ard,clasele de foc.
sa cunoasca semnalul de urgenta,cui se subordoneaza,locul de dispunere al mijloacelor de interventie si protectie,actiuni ce trebuie intreprinse de persoana in cauza.
sa cunoasca modul de interventie,miloacele din dotare si cine conduce exercitiul respectiv.
162.In cele mai multe cazuri,avariile produse la corpul navei,daca acesta a fost strapuns,modifica pozitia si stabilitatea ei.Care sunt cele mai recomandabile metode de redresare a pozitiei navei in aceste situatii?
drenarea apei patrunsa in interior,transferul de lichide,deplasarea sau debarcarea de greutati,inundarea unor compartmente.
drenarea compartimentelor inundate urmata de repararea cat mai urgenta a sparturii.
astuparea de urgenta a gaurii cu unul din mijloacle de vitalitate urmata de drenarea apei acumulate si remedierea defectiunilor produse de aceasta.
163.Ce se intelege prin '' esuare '' ?
punerea pe uscat a unei nave,voluntar sau involuntar.
ridicarea la suprafata a navelor scufundate.
oprirea navei pentru astuparea gaurilor de apa.
164.In cazul unei esuari voluntare a navei,cine ia aceasta decizie?
seful mecanic pentru ca in aceasta situatie masina nu mai poate functiona.
orice membru din echipaj care constata o gaura de apa.
comandantul navei.
165.Ce este esuarea voluntara?
punerea navei pe uscat,datorita contactului cu fundul apei.
punerea navei pe uscat,atunci cand comandantul o cere,pentru evitatarea unui pericol mare.
punerea navei pe uscat datorita ordinului celui ce a constatat o avarie.
166.Ce este exercitiul (rolul ) de urgenta?
este ansamblul de masuri ce se iau pe nava, in scopul instruirii echipajului pentru a se descurca si interveni in anumite conditii specifice.
este ansamblul actiunilor care se executa in mod organizat de catre personalul ambarcat la bordul navelor,in scopul acumularii unor cunostinte si deprinderi necesare a fi aplicate in situatii reale de urgenta.
ansamblul actiunilor ce se executa in mod organizat de catre personalul nebrevetat si brevetat intr-o anumita situatie de urgenta.
167.Care este scopul pentru care la bordul navelor se organizeaza roluri sau exercitii de urgenta?
acela de a stabili din timp cadrul organizatoric al actiunilor si modul de actiune pe car le va executa personalul imbarcat,in diverse situatii de urgenta.
acela de a familiariza echipajul cu cerintele IMO.
acela de a familiariza echipajul cu nava,agregatele, instalatiile si mijloacele de salvare si interventie in caz de incendiu.
168.Ce elemente cuprinde rolul de apel?
functia persoanei respective.
locul de adunare,actiunile importante ce trebuie intreprinse in caz de urgenta,metoda folosita pentru imbracarea vestelor de salvare
codul de interventie in caz de urgenta.
169.Ce elemente cuprinde rolul referitor la gaura de apa?
numele si prenumele participantilor la rol, cui i se subordoneaza, actiuni ce trebuie intreprinse.
functia persoanei respective,cui i se subordoneaza.
obligatiile ce-i revin respectivei persoane.
170.Ce elemente cuprinde rolul referitor la gaura de apa?
indicatii asupra pericolului pe care-l prezinta situatia.
codul de identificare a situatiei respective.
atributiile fiecarui membru de echipaj in ceea ce priveste inchiderea usilor etanse,usilor de protectie contra incendiilor,valvulelor,scurgerilor,hublourilor,spiraelor, tambuchiurilor, ventilatiilor si a altor deschideri in corpul navei.
171.Cum trebuie sa actioneze echipajul in cazul cand pe nava s-a dat o alarma de urgenta?
cu calm,rapid,ordonat, fara panica.
hotarare,raspundere si competenta.
conform obligatiilor ce ii revin pe linie de serviciu.
172.Cum actioneaza echipajul in cazul cand se produce o gaura de apa la corpul navei sub linia de plutire?
conform dispozitiilor elaborate de armatorul navei.
conform rolului de gaura de apa.
conform R.S.B.
173.Pentru'' gaura de apa'' semnalul de alarma este:
litera O in codul Morse ,respectiv trei sunete lungi.
litera G in codul Morse,adica doua sunete lungi si unul scurt.
un semnal lung.
174.Pentru rolul de incendiu,semnalul de alarma este?
litera I in codul Morse,adica doua semnale scurte repetate de 6 ori.
un semnal lung.
litera A in codul Morse,adica un semnal scurt si unul lung.
175.Rolul de abandon este anuntat printr-un semnal acustic.Care este acest semnal?
sapte sunete scurte si unul lung.
un semnal scurt repetat de 7 ori.
un semnal prelung repetat de doua ori.
176.Unde sunt expuse extrasele din tabelul general cu rolurile de apel in caz de urgenta?
in cabinele comandantului, sefului mecanic si in camera de comanda.
in cabina fiecarei persoane imbarcate care are atributiuni pe aceasta linie si in oricare loc in care le sunt vizibile si pot fi consultate.
numai in careurile navei si in timoneria navei.
177.Cum trebuie sa actioneze echipajul la auzul semnalului de alarma corespunzatoor unei anumite situatii de urgenta prevazute in rolurile navei?
personalul imbarcat se aduna la locurile special destinate acestui scop.
personalul de cart isi continua serviciul in timp ce restul echipajului participa la rol.
personalul ambarcat isi executa atributiile conform instructiunilor ce ii revin prin rolul respectiv.
178.Care este periodicitatea la care se executa exercitiile(rolurile) de incendiu pe navele de pasageri?
lunar.
de doua ori pe luna.
saptamanal.
179.Pentru insusirea atributiilor prevazute in rolurile navei si pentru formarea deprinderilor de actiona rapid, corespunzator situatiei,se organizeaza periodic exercitii simuland situatii reale.Cine organizeaza si conduce aceste exercitii?
comandantul navei si seful mecanic.
comandantul navei.
secundul si seful mecanic.
180.Cand se executa exercitii de simulare ale unor situatii de criza cum ar fi abandon,incendiu,poluare sau gaura de apa?
in mars si in stationarea navei.
in conditii de mars.
numai in mars in zilele cu activitate redusa.
181.Care sunt primele actiuni pe care trebuie sa le intreprinda echipajul in caz de esuare?
oprirea urgenta a motorului principal pentru a nu forta dezesuarea navei.
cercetarea in amanunt a posibilelor avarii pricinuite de contactul cu fundul apei.
sa se verifice adancimea apei si sa se elaboreze strategia de dezesuare.
182.Cand cercetarea arata ca este posibila dezesuarea navei cu mijlocele bordului,aceasta operatiune poate fi facuta prin procedee cum ar fi:
apelarea la ajutorul navelor specializate in astfel de situatii.
asteptarea refluxului urmata de fortarea cu ajutorul propulsiei proprii.
dezesuarea cu utilizarea simultana a propulsiei navei si a instalatiei de ancorare.
183.Cand cercetarea arata ca este posibila dezesuarea navei cu mijlocele bordului,aceasta operatiune poate fi facuta prin procedee cum ar fi:
dezesuarea prin schimbarea pozitiei navei in raport cu suprafata apei prin debalastare,deplasare de greutati sau balastare.
apelare la ajutorul mareei si a instalatiei manevra proprie in scopul dezesuarii.
utilizarea fortei valurilor sia vantului impreuna cu instalatia de propulsie la putere maxima.
184.Care sunt unele dintre cauzele cele mai frecvente care duc la aparitia incendiilor la bordul navelor?
incendii datorate caldurii excesive din unele compartimente ale navei.
cauze de natura tehnica cum ar fi cele avand la origine fenomene mecanice, electrice sau chimice
descarcarile electrice pricinuite de fenomene meteo.
185.Care sunt unele dintre cauzele cele mai frecvente care duc la aparitia incendiilor la bordul navelor?
lucrul cu flacara deschisa.
izolarea necorespunzatoare a esapamentelor motoarelor.
incendii de origine necunoscuta.
186.Care sunt unele dintre cauzele cele mai frecvente care duc la aparitia incendiilor la bordul navelor?
neglijenta si indisciplina.
lucrul cu echipamente care iau foc usor.
incendii pricinuite de reactii chimice atunci cand nava transporta produse chimice periculoase.
187.In ce situatii se foloseste apa pentru stingerea incendiilor?
in orice situatie daca nu exista un alt mijloc de stingere.
in cazul incendiilor care nu implica echipamente electrice si nici produse petroliere.
in orice situatie chiar daca este vorba de echipamente electrice,daca in prealabil s-a scos tensiunea.
188.Ce rol au iesirile de urgenta pe nava?
au rolul de a permite iesirea din unele compartimente direct pe punte in conditiile cand iesirile principale nu pot fi folosite din diverse cauze.
acela de a permite echipajului iesirea din compartimente in diverse locuri de pe nava.
aceste iesiri au rol de avarie.
189.Care este prima masura pe care trebuie sa o luati daca ati sesizat producerea unui incendiu?
actionez cu orice mijloace pe care le am la indemana in vederea neutralizarii lui.
2. anunt de urgenta acest lucru,actionez cu mijlocele din dotare pentru neutralizarea lui.
3. dau alarma si astept echipa de interventie pentru a actiona impreuna conform rolului.
190.Cine stabileste componenta inventarului de incendiu la bordul unui anumit tip de nava?
acest inventar este stabilit de catre armator impreuna cu constructorul navei.
inventarul de incendiu de pe o nava se stabileste in conformitate cu cerintele Rezolutiilor IMO.
Registrul de Clasificare.
191.Abandonarea unei nave avariate se face in urmatoarea ordine:
pasagerii urmati de echipajul navei.
nu exista o ordine de abandonare a navei avariate dar comandantul ramane ultimul.
mai intai personalul brevetat,urmat de personalul nebrevatat si comandantul.
192.Cine da ordinul de abandonare a navei in caz ca se impune acest lucru?
armatorul navei.
comandantul sau inlocuitorul sau legal cand comandantul nu este in masura sa-si exercite functia.
orice persoana din echipaj care constata imineneta scufundarii navei.
193.Cand are dreptul sa paraseasca nava avariata personalul ambarcat pe aceasta?
in orice moment,daca considera ca viata ii este in pericol.
numai dupa ce comandantul navei ordona abandonarea navei.
numai dupa ce recupereaza documentele navei.
194.Cine paraseste ultimul nava avariata in caz ca aceasta trebuie abandonata?
seful mecanic dupa ce, in prealabil, a oprit toate utilajele care mai functionau.
ofiterul de cart dupa ce a recuperat si conservat documentatia navei.
3. comandantul navei.
|
Politica de confidentialitate | Termeni si conditii de utilizare |
Vizualizari: 6267
Importanta: ![]()
Termeni si conditii de utilizare | Contact
© SCRIGROUP 2025 . All rights reserved