| CATEGORII DOCUMENTE |
CCD versus CMOS - sonzori de imagine
Aparatele foto clasice folosesc filmul fotografic pentru a capta imaginea. Camerele foto digitale insa folosesc un asa numit 'senzor de imagine'. Aceste cipuri de silicon contin milioane de diode fotosenzitive, numite puncte fotografice. In momentul scurt in care obiectivul se deshide, fiecare punct inregistreaza intensitatea luminii care il atinge, acumuland o sarcina; cu cat lumina este mai intensa, cu atat sarcina acumulata este mai mare. Apoi intensitatea luminii inregistrata de fiecare punct este memorata ca o serie de numere, pentru a putea reda ulterior imaginea capturata.
Fotografiile digitale sunt compuse din sute de mii sau milioane de pixeli, care sunt de fapt niste patratele foarte mici. Fiecare pixel este capturat de un singur punct fotografic de pe senzorul de imagine si astfel se formeaza imaginea pe care o vedem pe ecranul aparatului foto, al calculatorului sau tiparita pe hartie.
Pana recent, senzorii CCD erau singurii senzori folositi in
camerele digitale. Senzorii CCD au cunoscut o dezvoltare foarte ampla
prin folosirea lor in multe domenii importante, printre care se numara medicina
si astronomia, prin folosirea lor in scannere, camere video si alte aparate de
acest gen.
CMOS (Complementary Metal
Oxide Semiconductor) este o alternativa la cipurile CCD. Problema cu cipurile
CCD nu este calitatea, care e foarte buna, ci
costurile de productie destul de ridicate. CCD-urile sunt fabricate cu aparate
care sunt folosite doar pentru constructia acestui tip de senzor. Cipurile CMOS
insa pot fi fabricate cu aceeasi tehnologie cu care se produc procesoarele si
memoriile pentru calculatoare. De aici, costurile de productie a acestor senzori de imagine scad enorm de mult. De fapt,
termenul CMOS se refera la felul in care un senzor
este fabricat si nu la o tehnologie de senzori de imagine anume).
Tehnologia CCD a fost tehnologia dominanta de-a lungul mai multor ani de la sfarsitul anilor 1960 pana la inceputul anilor 1970 deoarece la acel timp limitarile in ceea ce priveste tehnologia litografica(corodarea fotoelectrochimica)nu a permis fabricarea de senzori CMOS
Dupa mijlocul anilor 1990 a devenit evident ca tehnologia litografica se poate imbunatatii pana la nivelul la care senzorii CMOS ar putea sa-I inlocuiasca pe cei CCD

Miscarea incarcarii fotogenerate CCD de la pixel la pixel si transformata in tensiune la un nod de iesire.
Argumente, de ce senzorii CMOS pot asigura performante mai bune decat senzorii CCD:
este posibila integrarea functiilor ca si un senor de imagine ce face posibila creearea unei camere integrate in chip sau unui sistem integrat in chip.
CMOs asigura consum de putere scazut
Reducerea marimii sistemului ca si rezultat la integrarea si reducerea consumului de putere
Abilitatea de a folosi aceleasi linii de productie CMOS ca si circuite logicesi fabricarea dispozitivelor de memorie, rezultand la o flexibilitate in ceea ce priveste fabricarea acestora
Functionarea de la o singura sursa de alimentare de tensiune
Abilitatea de a executa o captare a imaginii doar a partii ce ne intereseaza, lucru ce duce la o citire mai rapida a datei.
Senzorul de imagine CMOS poate contine mai multe functii onchip decat senzorul CCD:

Senzorii de imagine CMOs pot fi fabricati cu mai multe functii CMOS pe chip. Aceasta confera avantaje in dimensiune si comoditate.
- DSC - Digital Still Camera sunt driverele pentru noile detectoare de imagine CCD si CMOS
- Performante importante in ceea ce priveste imbunatatirea caracteristicilor sunt functia de declansare electronica si senzitivitatea imbunatatite prin folosirea microlentilelor pentru a inmagazina(colecta) mai multa lumina in zona forosenzitiva.
- Foveon a intrat pe piata cu un nou tip de sensor CMOs de imagine in care semnalul de pixelul a lungimilor de unda de culoare albastru, verde si rosu este inregistrat prin inmagazinarea de electroni generati la diferite inaltimi ale corpului de silicon
(ref. www.foveon.com).
- Limita dinamica a senzorului de imagine CMOS poate fi marita prin utilizarea metodei de integrare dual slope(panta dubla) implementata in camera Lumera CMOS
(ref. www.lumera.com)
- Kodak a introdus pe piata un nou sensor de imagine CMOS capabil de selectare (binning)analogica a incarcarilor (www.kodak.com)
- Senzorul de imagine CMOS Sony ClearVid
(ref. https://forevergeek.com/news/sony_introduces_clearvid_cmos_sensor.php)
Detectorul Foveon X3 CMOS

Un senzor de imagine Din moment ce siliconul Ca si rezultat, doar
FoveonX3 are ca si absoarbe diferite lungimi de unda senzorulde imagine
caracteristica cele de patrundere, fiecare strat Foveon X3 capteaza
trei straturi separate de lumina la diferite adancimi lumina rosie,verde si
de fotodetectori incluse capteaza o culoare diferita albastrala fiecare locatie
in masa de silicon de pixel

In sistemele conventionale, Filtrele lasa sa treaca doar Ca si rezultat , senzorii
sunt aplicate filter de culori lungimile de unda de lumina tipici mosaic capteaza
pe un singur strat de rosie, verde sau albastra prin 50% din lumina verde si
fotodetectori numit ca si orice pixel dat, permitand doar 25% din rosu si albastru
model mozaic ca acesta sa inregistreze
doar o singura culoare
Tendinte in structura microlentilelor in detectorii CCD
Imbunatatiri ale caracteristicilor prin introducerea structurii CCD
SIL(Single Inner Lens)

Metoda panta dubla pentru marirea limitei dinamice a senzorului de imagine CMOS
Metoda de
integrare cu panta dubla
Este o metoda de extindere a limitei dinamice prin integrarea unui cadru
de expunere lung si a unui scurt intr-o imagine statica(still=diapozitiv). Integrarea scurta controleaza asupra expunerii coditiilor legate de luminozitate in timp ce integrarea lunga support expunerea asupra conditiilor de luminozitate scazuta. Curba electr-optica rezultata este prezentata in graficul de alaturi.
Metoda cu panta dubla este bazata pe efectuarea a doua expuneri: una la un timp de expunere lung iar cealalta la un timp de expunere scurt.
Cele doua imagini expuse sunt adunate rezultand curba de raspuns reprezentata mai sus
Un nou sensor de imagine CMOS capabil de selectarea(binning- un procedeu de eliminare a zgomotului) analogica a incarcarilor
Pixelii din vecini a aceleiasi culori pot fi combinati prin selectarea incarcarilor, urmata de medierea orizontala. Acesta ofera imagine cu rezolutie redusa dar cu capabilitate ridicata in mediile cu luminozitate redusa.
- Senzorii CMOS standard folosesc trei tranzistori (3T) pentru fiecare pixel
- Acest model este folosit pentru optimizarea costului si productiei
- Totusi sufera prin prisma curentului negru care are o valoare tipica de 1- 2 nA/cm2
- Curentul negru poate fi redus prin folosirea a patru tranzistori dar cu dezavantajul obtinerii unui factor de umplere redus.
- Noua arhitectura 4T4S - patru tranzistori , are un potential de a anula reducerea factorului de umplere
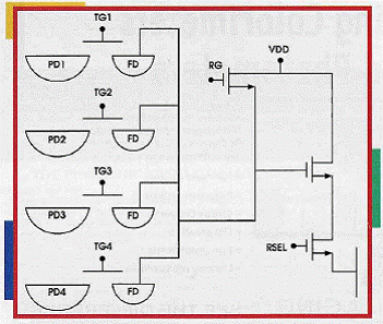
In arhitectura 4T4S, un grup de patru pixeli impart 7 tranzistori si un singur amplificatory, TG= poarta de transfer; VDD= tensiunea de alimentare a amplificatorului; FD= difuziunea flotanta, PD= fotodioda, RG= poarta de reset; RSEL= intrarile de selectare a randului

- Selectarea incarcarilor imbunatateste semnalul in raport cu zgomotul
- La camera digitala cu zgomot redus nivelul de lumina scazuta poate fi imbunatatit daca rezolutia scazuta este
- Daca rezolutia video este folosita raportul semnal zgomot ofera o imagine de calitate mai buna
Senzorul de imagine CMOS Sony ClearVid
Senzorul
CMOS Sony "Clearvid" 1/3, cu o rezolutie de 2 megapixeli
Ramura Fujifilm Super CCD, a aparut pentru prima data in octombrie 1999, si are ca baza de dezvoltare diodele foto ortogonale aranjate in forma de figure.
Sony ClearVid adopta un aranjament similar, cu senzori foto localizati la unghuri de 45 de grade , unii de ceilalti.
Un sensor Bayer standard are in componenta doi senzori verzi pentru fiecare sensor albastru si rosu.Diagram Sony arata ca pentru fiecare sensor verde si albastru avem sase senzori verzi
Pentru ce optam in cele din urma? Senzori CCD sau CMOS? Odata cu noile evolutii tehnologice, calitatea obtinuta este foarte mare, oricare din variante se alege. Ramane doar problema de costul de productie, care pana la urma nu este de neglijat. De asemenea exista diverse variante ale fiecarei tehnologii, specifice fiecarei firme producatoare mari in parte. Samsung si Canon, Nikon si DALSA, si alte nume cunoscute aduc tot atatea variante de senzori, fiecare cu un specific bine conturat. Depinde doar de nevoile utilizatorilor, la care tehnologia trebuie sa raspunda cu brio.
|
Politica de confidentialitate | Termeni si conditii de utilizare |
Vizualizari: 2675
Importanta: ![]()
Termeni si conditii de utilizare | Contact
© SCRIGROUP 2025 . All rights reserved