| CATEGORII DOCUMENTE |
| Agricultura | Asigurari | Comert | Confectii | Contabilitate | Contracte | Economie |
| Transporturi | Turism | Zootehnie |
| Navigatie |
GENERALITATI
ROLUL STATIILOR DE TRIERE
Un triaj reprezinta un complex de linii si de instalatii feroviare ce servesc pentru primirea trenurilor de marfa din mai multe directii,trierea vagoanelor pe directii de expediere,compunerea lor in noi trenuri intr-o anumita ordine,astfel incat ele sa fie distribuite cat mai usor la destinatie si expedierea trenurilor formate.
Deci rolul triajelor este de a descompune si recompune trenurile astfel ca ele sa poata circula mai departe fara alta prelucrare in statiile intermediare
FORMA STATIILOR DE TRIERE
Forma depinde de metoda de triere folosita care poate fi:
1)prin impingere,cand locomotiva impinge treptat vagoanele sau grupurile de vagoane unul dupa altul la liniile corespunzatoare;
2)prin imbrancire,cand locomotive imprima vagonului sau grupului de vagoane decuplat o anumita viteza in virtutea careia acestea se deplaseaza apoi singure la linia respective.Oprirea vagoanelor sau micsorarea vitezei lor se face cu ajutorul sabotilor de mana;
3)prin actiunea fortei de gravitatie,cand vagoanele ce trbuie triate sunt impinse la linii in panta si apoi lasate sa ruleze singure sub actiunea greutatii proprii.
Ultima metoda este cea mai utilizata in triajele care trebuie sa prelucreze un numar mai mare de vagoane pe zi
Pentru primirea trenurilor de marfa,descompunerea lor,formarea de noi trenuri si expedierea acestora,liniile unui triaj sunt impartite pe grupe astfel:
-grupa de primiri,numita si grupa A formata din liniile pe care se primesc trenurile;
-grupa de triere pe directii,numita si grupa B formata din liniile pe care se face acumularea vagoanelor descompuse;
-grupa de retriere,numita si grupa C,pe liniile careia vagoanele accumulate in grupa B se aranjeaza in ordinea in care trebuie lasate pe parcurs de trenul local de marfa
-grupa de expediere,numita si grupa D,pe liniile careia sunt garate trenurile pregatite pentru plecare.
Pe langa aceste linii,o statie de triere mai este prevazuta cu linii pentru depozitarea vagoanelor defecte,pentru circulatia locomotivelor la/de la depou si pentru trenurile in tranzit care nu sunt supuse operatiunilor de triere.

PROCESUL TEHNOLOGIC DE DESCOMPUNERE A UNUI TREN
Procesul tehnologic de descompunere a unui tren cuprinde doua grupe de operatii:pregatitoare si de miscare.
Operatiile pregatitoare incep din momentul gararii trenului in grupa de primiri A ce se executa de lacatusii de revizie,magazionerul,scriitorii de vagoane si paznicul.Lacatusii fac revizia tehnica a trenului,magazionerul verifica existenta si buna stare a plumburilor de la usi,a ferestrelor si incuietorilor.Scriitorii de vagoane,in baza documentelor ce insotesc fiecare vagon,marcheaza cu creta pe tampon,pe peretele frontal sau cel lateral linia la care va fi indrumat vagonul sau grupul de vagoane respective si noteaza numerele vagoanelor intr-o condica special ape care o preda apoi la biroul de tranzit.Seful de tren preda documentele comerciale la biroul de tranzit unde,in baza lor si a scrierii trenului,se intocmeste fisa de triere,ce reprezinta nota de comanda pentru executarea trierii.Un exemplar din aceasta fisa se trimite sefului de manevra si in baza ei se desfac tuburile de aer dintre vagoanele ce se vor decupla.In acelasi timp se slabesc cuplele cu surub pentru a permite dezlegarea lor cand vagoanele vor ajunge pe rampa dinaintea cocoasei.Pentru transmiterea documentelor originale de la biroul de tranzit al grupei de primiri la cocoasa si la biroul de expediere a trenurilor se foloseste posta pneumatica.
Dupa ce trenul este pregatit pentru triere incep operatiile de miscare.In acest scop se aduce locomotiva de manevra si se leaga la urma garniturii.In functie de indicatiile semnalului de triere si a repetitoarelor din grupa A ,mecanicul ia masuri de impingere a convoiului.Dupa ce vagonul sau convoiul de vagoane dezlegat ajunge pe cocoasa,la un moment dat se separa de restul garniturii si incepe sa coboare liber sub actiunea propriei greutati.Dupa un anumit timp,denumit interval de lansare,se separa si vagonul urmator etc.La coborarea pe cocoasa,viteza vagonului trebuie astfel reglata incat acesta sa se opreasca cand ajunge in contact cu vagonul ce stationeaza pe linia la care a fost indrumat sau,in momentul ciocnirii,sa aiba o viteza nepericuloasa.
Daca doua vagoane se ajung pe macazul care ar trebui sa separe parcursurile lor,acesta nu mai poate fi manevrat si vogonul urmaritor nu mai poate fi indrumat la linia de destinatie,ci il urmeaza pe cel din fata,producandu-se o triere falsa.In acest caz trierea trebuie oprita si vagonul triat gresit trebuie scos cu locomotiva de manevra si introdus la linia de destinatie.
Pe liniile grupei B ,vagoanele nu se opresc tampon langa tampon,ci intre ele raman de obicei intervale,mai mici sau mai mari.Pentru eliminarea acestor intervale se introduce locomotive de manevra care preseaza vagoanele.
Pentru sporirea productivitatii cocoasei de triere se lucreaza cu doua locomotive de manevra,pe unul din planuri se poate tria o garnitura iar pe celalalt poate fi impinsa spre cocoasa garnitura urmatoare.Astfel,imediat ce se termina trierea primei garnituri,poate incepe trierea celei de-a doua si productivitatea cocoasei creste.
Triajele din Romania echipate cu instalatia de tip WSSB sunt urmatoarele: triajul Bucuresti, triajul Brasov, triajul Oradea, triajul Caransebes, triajul Arad, triajul Curtici, triajul Suceava, triajul Golesti, triajul Adjud
Partile componente principale ale instalatiei se pot grupa in instalatii exterioare si interioare.
Instalatia exterioara este alcatuita din
1.dispozitive de manevrare a macazurilor (electromecanisme rapide).
2.dispozitive pentru controlul starii de liber sau ocupat a sectiunilor izolate ( circuite de cale).
3.pedalele de macaz sau intermediare ( generatoare de impulsuri ).
4.bariera luminoasa si pedala instalata inaintea primului macaz din parcurs.
5.semnalele de triere, repetitoare si de manevra.
6.reteaua de cabluri subterane.
Instalatia interioara este alcatuita din
1.pupitrul de comanda cu luminoschema.
2.cititorul de banda montat pe pupitrul de comanda.
3.teleimprimatorul cu perforator de banda instalat in sala telex si teleimprimatorul de comanda instalat in cabina de pe varful cocoasei.
4.dispozitivul de programare cu banda perforata.
5.memoria cu cinci registre a numarului liniei de destinatie, pentru inmagazinarea comenzilor de destinatie.
6.memoria cu cinci registre pentru inmagazinarea numarului de ordine al rulari.
7.memoria suplimentara a comenzilor de destinatie.
8.memoria trierilor false.
9.unitatile de automatizare cu memorii individuale pentru fiecare macaz si pedala intermediara.
10.electroalimentare instalatiei.
Electromecanismul cu care sunt inzestrate macazurile de triere este de tip WSSB, cu actionare rapida si cu inzavorare exterioara(fixator de varf cu pene)
-electromotor
-transmisia mecanica, prin care se transforma miscarea de rotatie a electromotorului in miscare de translatie a barei de manevrare a acelor.
-ambreiajul de frictiune
-comutatorul automat
Motorul electric, trifazat, cu doua sensuri de rotatie, are urmatoarele caracteristici
tensiunea nominala 220 / 380V,50 Hz
-puterea nominala 0,5 Kw
-viteza nominala 2200 turatii / minut
Pentru a se obtine o manevrare rapida a macazului,cursa barei de actionare este redusa la 150mm,fata de cursa normala de 220mm,timpul de manevrare ajungand la aproximativ 0,8sec.
Fixatorul de varf cu pene denumit si fixator cu cleme in forma de coada de randunica,serveste pentru manevrarea acelor si pentru fixarea acului lipit de contraacul sau
CONSTRUCTIE ELM DE MACAZ WSSB
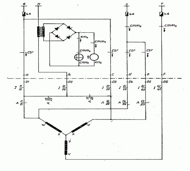
SCHEMA ELECTRICA DE ACTIONARE SI CONTROL MACAZ WSSB,CU SASE FIRE(CORESPUNDE POZITIEI SPRE DREAPTA A MACAZULUI,CU CONTROL FINAL RELEUL DE CONTROL KMz EXCITAT


In aceasta pozitie a macazului releulKMz este excitat,iar releele CMMz si CSR sunt dezexcitate.Prin contactele releului CmmZ fazele S si T sunt intrerupte,iar legatura intre faza R si W este si ea intrerupta la contactul A 11/21.Releul KMz este excitat deoarece prin infasurarea primara a transformatorului trece curent,circuitul dintre R si N inchizandu-se prin firele 01 si02(contactul A12/22 stabilit).Daca in aceasta situatie se excita releele CMMz si CSR cele trei faze se conecteaza la bornele u,v,w ale motorului,manevrand macazul de la dreapta spre stanga,astfel:faza R se conecteaza la borna u prin conductorul 03,faza S la borna W prin 04 si faza T la borna V prin 06.In timpul manevrarii macazului contactele A12/22 si A15/25 sunt intrerupte,astfel ca prin infasurarea primara a transformatorului nu trece curent,deci nici unul din cele doua relee alimentate prin puntea redresoare nu ar putea fi excitat.Pe langa aceasta circuitul releului KMz mai este intrerupt si prin contactul releului CMMz,care este dezexcitat.Releul CMMz are un singur contact de autointrerupere care se stabileste in momentul excitarii sale si ramane stabilit tot timpul cat armatura este atrasa.Ca urmare a dezexcitarii releului CMMz si a intreruperii contactului A11/21,releul csr fiind dezexcitat,motorul se opreste,alimentarea sa prin cele trei faze fiind astfel intrerupta.Pe langa aceasta se excita si releul KMz,indicand pozitia finala ,cu control,a macazului.Cand macazul se afla in pozitie finala,cu control si da acces spre stanga,comutatorul automat stabileste contactele A11/21,A13/23 si A15/25 si intrerupe contactele A12/22,A14/24 si A16/26.In aceasta situatie releele CSR si KMz sunt excitate,iar releul CMMz dezexcitat.Pentru a manevra macazul de la stanga spre dreapta releul CMMz trebuie excitat,iar CSR trebuie dezexcitat.Ca urmare faza R se conecteaza la borna W prin conductorul 01 si contactele csr,I11/21 si A11/21,faza S la borna U prin 05 si contactele CMMz,CSR,I61/62 si A13/23,iar faza T la borna V prin 06 si contactul I41/42
Deoarece faza R s-a conectat acum la borna W si faza S la borna U,iar faza T ramane neschimbata,sensul de rotire al electromotorului se inverseaza si macazul se manevreaza de la stanga la dreapta
In caz de intrerupere a retelei trifazate,pentru a se asigura terminarea manevrarii macazurilor se foloseste un convertizor rotativ care transforma curentul debitat de bateria de 60V/504A in curent alternativ de 380V.Convertizorul poate porni automat odata cu introducerea in automatizare a macazurilor sau se poate porni manual cu ajutorul a doua butoane situate pe pupitrul de comanda.
SEMNALIZARI PE PUPITRU Indicatorul luminos cu filtru galben,dispus de aceeasi parte cu butonul de macaz da indicatiile:
-galben continuu,cand macazul este in regim de actionare automata si are control;
-stins,cand macazul este scos din regimul automat;
galben clipitor,cand macazul nu are control(deranjament,corp strain intre ac si contraac sau atacare falsa)In acest caz suna soneria de talonare.
ELECTROMECANISME DE MACAZ TIP SPG
Exista doua tipuri de elm. de macaz SPG:SPG-2 si SPG-3
DIFERENTE
Raportul de transmisie al reductorului este mai mare la SPG-3,ceea ce determina ca timpul de manevrare sa fie mai mic(0,45-0,5sec) fata de 0,6-0,65sec la SPG-2.
Are un dispozitiv de incalzire electrica a sistemului de contacte format din trei rezistente(doua buc.de 56ohmi/25W si una de 27ohmi/25W).
ASEMANARI
Motorul electric este reversibil,serie,de curent continuu tip MPS-0,25(0,25KW) proiectat pentru 100V,iar pentru micsorarea timpului de actionare a fost alimentat cu tensiune mai mare(220V dintr-o baterie de acumulatori cu 110 elemente).
Au inzavorare interioara si sunt netalonabile,adica la atacarea falsa are loc distrugerea mecanica a electromecanismului
Schema electrica de comanda,actionare si control este aceeasi pentru cele doua tipuri
Schema corespunde pozitiei
de plus a macazului
Schema unui bloc de macaz SG-66 cuprinde urmatoarele relee de comanda si control:
PM-releu polarizat de pornire macaz
IP-releu de incepere-pornire
RAM-releu pentru readucerea automata a macazului in pozitie initiala
KMP,KMM-relee pentru controlul pozitiei macazului pe plus,respective pe minus
Pentru manevrarea manuala de pe plus pe minus se stabileste intai contactul 41-42 prin aducerea in pozitie corespunzatoare(de minus) a manetei macazului respective.Prin contactul stability se excita releul IP,circuitul de alimentare a bobinei 2-4 inchizandu-se prin contactul 121-122 al releului PM si prin contactul de repaus 31-33 al releului sectiunii isolate Si a macazului,sectiune ce trebuie sa fie libera(releu dezexcitat).Prin contactul de lucru 61-62 al releului IP se alimenteaza bobina1-3 a releului PM care se excita si armature sa polarizata stabileste contactele 111-113,121-123,141-143 si electromotorul poate fi actionat de catre bateria de 220V.Circuitul de alimentare a electromotorului se inchide prin conductoarele OA si A2,precum si prin infasurarea 1-3 a releului IP,care se mentine excitat pe tot timpul manevrarii macazului.La inceputul cursei de manevrare contactele b si d ale comutatorului automat se intrerup iar b' si d' se stabilesc,apoi la sfarsitul cursei contactele a si c se intrerup iar a' si c'se stabilesc.Astfel,la sfarsitul cursei de manevrare releul KMM se excita,lampa LM se aprinde,releul IP se dezexcita si releul PM ramane fara current
Circuitul de alimentare a electromotorului se intrerupe la terminarea cursei de manevrare,mai intai prin contactul a al comutatorului automat si apoi prin contactele releului IP.
Dup ace macazul ajunge in pozitia de minus,armature polarizata a releului PM,prin bobina caruia nu mai trece current mentine stabilite contactele 111-113,121-123 si 141-143.Pentru readucerea macazului in pozitia de plus se manevreaza corespunzator maneta stabilind contactul 21-22 al acesteia,apoi se excita releele IPsi PM si se actioneaza electromotorul.
SEMNALIZARI PE APARATUL DE COMANDA
Controlul macazului pe plus sau minus se realizeaza printr-un bec de culoare alba la celula de la calcaiul macazului pentru pozitia respectiva
Macaz fara control se semnalizeaza prin lipsa indicatiilor de plus/minus(ambele becuri stinse),prin aprinderea indicatorului TALONARE MACAZURI si prin actionarea unei sonerii.
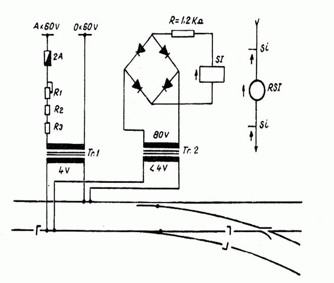
CIRCUITUL DE CALE TIP WSSB
Circuitul de cale tip WSSB, este un circuit normal inchis ( cu curent de repaus), avand izolat numai unul din firele caii si la 1..1,5 m de la ultima joanta izolata sunt montate pedalele P1 si P2,cate una pentru fiecare sens de circulatie.
Transformatorul de alimentare coborator produce la secundar o tensiune de 4V, iar cel ridicator la releu, 80V. Releul de sectiune izolata, normal excitat, este releu telefonic plat, iar repetitorul sau este releu fisa neutral, de gabarit redus.

CIRCUITE DE CALE FOLOSITE IN INSTALATIILE GAT
NORMAL DESCHISE (CU CURENT DE LUCRU) IN 25Hz

Alimentarea se prin convertoare de frecventa,la intrare aplicandu-se o tensiune de 220V/50Hz,la iesire rezultand o tensiune de 110V/25Hz.Dintr-un convertor se pot alimenta una sau doua coloane(fascicole) de alimentare a circuitelor de cale,iar la o coloana sunt conectate 10-12 circuite de cale.Controlul existentei tensiunii in coloanele de alimentare ale circuitelor de cale se face cu ajutorul releelor de avarie,cate unul pentru fiecare coloana de tipul ASS2-110.
Filtrul de caleFP-25 se foloseste in schema circuitelor de cale de crt. alternativ cu frecventa 25Hz pentru protectia releelor fata de influenta returului crt. de tractiune cu frecventa de 50Hz.
Transformatorul de alimentare este de tip PTM sau AC.
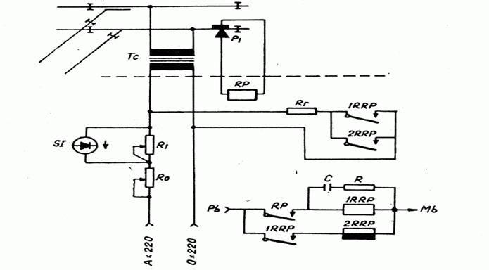
Rezistenta R0 de 400ohmi/0,2A are rolul de a limita curentul in circuit.
Rezistenta R1 de 400ohmi/0,2A are rolul de a regla tensiunea la releul de cale(releu polarizat cu impulsuri)
FUNCTIONARE
Cand sectiunea izolata este libera,circuitul de cale se inchide prin rezistenta de balastIn infasurarea primara trece un current a carui valoare e astfel stabilita incat caderea de tensiune pe rzistenta de reglare R1 sa fie insuficienta pentru mentinerea atrasa a armaturii releului de cale.
Cand circuitul de cale se ocupa,rezistenta din infasurarea secundara a transformatorului scade brusc datorita suntarii sinelor de catre osiile vagonului.Aceasta scadere a rezistentei provoaca cresterea curentului in infasurarea secundara a transformatorului si ca urmare in infasurarea primara curentul creste ,astfel incat caderea de tensiune pe rezistenta de reglare devine suficienta pt. atragerea sigura a releului de cale,iar acesta isi atrage armatura.
CIRCUIT DE CALE COMPLETAT CU O PEDALA MAGNETICA

Daca osia intrata pe sectiunea izolata este o osie de mare rezistenta sau daca se pierde suntul,releul de cale nu se atrage sau,dup ace s-a atras,cade din nou si astfel,desi sectiunea izolata este ocupata,releul fiind cazut ,macazul s-ar putea manevra sub vagon.
Pentru a se preintampina aceasta situatie,circuitele de cale ale macazurilor situate la inceputul parcursurilor de pe cocoasa se completeaza cu una sau doua pedale magnetice si cu relee suplimentare corespunzatoare.
Nu s-au introdus pedale magnetice la sectiunile intermediare,la ultimile macazuri din parcurs sau la cele atacate pe la calcai.
La sectiunile izolate ale macazurilor situate intre varful cocoasei si pozitia a doua de franare se folosesc doua pedale,iar la macazurile de dupa cea de-a doua pozitie de franare,o singura pedala.Cand se foloseste o singura pedala magnetica,aceasta se monteaza la 4-5,5m de la varful acelor macazului,iar daca se folosesc doua pedale,una se monteaza la 4m,cealalta la 5,5m de varful acelor.
FUNCTIONARE
Cand osia trece peste pedala P1 se excita releul de pedala RP si prin contactul de lucru al acestuia se excita primul repetitor al releului de pedala 1RRP,iar dupa excitarea acestuia se excita si al doilea repetitor de pedala 2RRP.Prin contacte de lucru astfel stabilite ale celor doua repetitoare,rezistenta de reglare Rr se conecteaza in paralel cu infasurarea primara a transformatorului Tc.Ca urmare in circuitul primar curentul va creste si odata cu el creste si caderea de tensiune pe rezistenta R1 si astfel releul sectiunii izolate se excita.
Releele repetitoare 1RRPsi 2RRP realizeaza impreuna o temporizare la cadere de 1,9-2,1sec,valoare suficienta ca un vagon bun alergator sa paraseasca sectiunea izolata,iar unul rau alergator sa depaseasca cu ultima osie varful macazului.
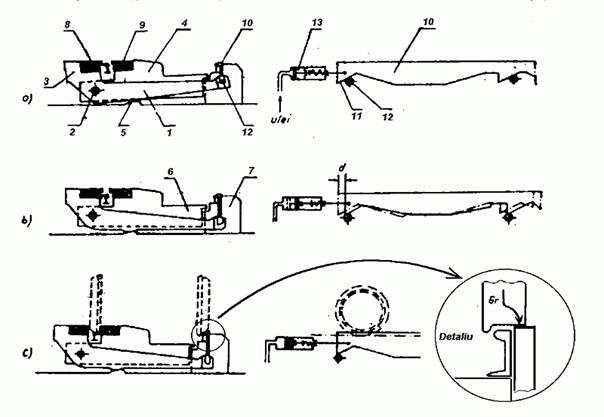
FRANA DE CALE TIP KV-3
Este frana de tip cleste,bilaterala,franand in acelasi timp ambele roti ale osiei montate.Instalatiile de franare sunt aceleasi pe ambele fire de cale si functioneaza independent una de alta,fiecare parte avand cilindri ei de franare.Numarul cilindrilor de franare este de 8(cate 4 de fiecare parte a franei)

Clestele este format din parghia 1 cu un brat si parghia 2 cu doua brate,ce se rotesc pe axul comun 3.De capetele lor este prins cilindrul de franare si anume corpul 4 al cilindrului este prins de parghia 1,iar tija 5 a pistonului de parghia 2.De parghiile 1 si 2 mai sunt prinse bielele 6 ale caror capete sunt fixate articulat de rama 7 care constituie cadrul franei.In pozitie de repaus cand nu este aer in cilindri de franare,cadrul 7 ocupa pozitia cea mai de jos,sprijinindu-se pe doua reazeme.Pe rama 7 este montata grinda fixa 8 si grinda mobila 9 ce se poate roti in jurul axului 13.Grinda mobila este mentinuta in pozitie ridicata de catre resortul 15.De grinzile franei sunt fixate cu buloane sinele de franare 12.Pe lungimea franei de cale,partea exterioara a ciupercii sinelor de rulare este rabotata pana la nivelul inimii pentru ca roata sa poata ajunge in contact cu pragul 11 al grinzii mobile,pe care va rula.Resortul 14 serveste la echilibrarea franei.
In pozitie de repaus,pragul 11 al grinzii mobile se afla sub nivelul ciupercii sinei de rulare 10,iar distanta intre sinele de franare 12 este de 160+/-3mm,deci mai mare decat latimea bandajului rotii,astfel ca vagonul poate trece pri frana fara a fi franat.
Daca se introduce aer comprimat in cilindri de franare parghiile 1 si 2 se rotesc in jurul axului 3 si prin bielele 6 ridica rama 7 in sus,astfel ca pragul 11 ajunge deasupra nivelului sinei de rulare;frana a fost adusa in pozitie pregatitoare pentru franare,distanta intre sinele de franare devenind acum 145+/-2mm.
FRANA DE CALE SAXBY R-58(FC-74)
Frana de cale de tip FC 74 este o frana de greutate, are la baza franarea unei singure roti, folosind insa in acest scop greutatea celeilalte roti a osiei montate
Mecanismul de actionare al acestei frane de cale are trei pozitii:
-pozitia de repaus ,cand distanta dintre sinele de franare este 155.176 mm.
-pozitia pregatitoare de franare, cand sinele de franare sunt apropiate distanta dintre ele fiind 122.125 mm.
Instalatia de comanda a acestor frane se compune din:
Pupitrul de comanda,alaturi de pupitrul-luminoschema
-centrala hidraulica instalata in apropierea franelor de cale, intr-o cladire separata, semi-ingropata
-reteaua de distributie alcatuita din conducte prin care circula uleiul de la centrala hidraulica la franele de cale, si sunt montate in canale de protectie.
-dispozitivele de comanda din apropierea franelor de cale
FRANA DE CALE TIP CLESTE M-50
Este frana de presiune si este actionata cu aer comprimat produs de compresoare .
Introducerea aerului comprimat in cilindri de frana se face prin intermediul supapei electropneumatice,iar reglarea si controlul presiunii aerului se face cu ajutorul regulatorului de presiune care poate fi cu came sau manometric.Supapa electropneumatica serveste la admisia aerului comprimat simultan in toti cilindri franei,pentru aducerea acesteia in pozitie de franare si la evacuarea in atmosfera a aerului din cilindri,la slabirea ei.
|
Politica de confidentialitate | Termeni si conditii de utilizare |
Vizualizari: 5698
Importanta: ![]()
Termeni si conditii de utilizare | Contact
© SCRIGROUP 2025 . All rights reserved